SKFKMT34轴承详细参数

发布时间:2026-05-30
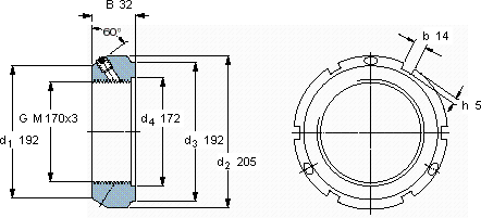
带锁紧销的KMT精密锁紧定螺母
螺纹尺寸 尺寸 轴向负荷 体积 型号 平头螺钉
承载能力 锁定螺母 适宜的板手 尺寸 推荐的紧固扭矩
d3 B G 静态
- mm - kN kg --- Nm
17019232M 170x311602,20KMT 34TMFN 30-40M 1035

SKFKMT34轴承附件供应商

八零动力专业销售KMT34轴承附件,库存SKFKMT34大量现货,与SKF合作,咨询热线:022-58519723业务咨询
SKFKMT34它的抗疲劳性能,确保了长期使用的可靠性 它在医疗设备中的应用,确保了设备的稳定性 就是选择高效与可靠它的尺寸精度,达到了微米级的极致 高品质的轴承,在各种复杂工况下都能展现出卓越的性能表现承载无限可能,,八零动力SKF轴承附件品种全,价格优,质量有保证!

用户关注最多的SKF轴承型号

SKF24092ECAK30/W33* SKF29492 SKF32005X/Q SKF33115 SKFCR14762 SKFCR34x62x8CRW1R SKFK60x68x30ZW SKFN068 SKFN212E SKFNNU4130M/W33 SKFNU2214ECJ* SKFNU238E SKFS71911CD/HCP4A SKFSNL3252 SKFW15

KMT34轴承附件近似的SKF轴承型号

SKFAH24134 SKFSNW3034x6 SKFHMV34E SKFHA3034 SKFHMVC134E SKFOH2344H SKFHMVC34E SKFW34 SKFSNW3034x5.13/16 SKFHMV134E SKFKMT32 SKFKMT36

用户关注最多的轴承狗热门型号

SKF  CR1500510 TIMKEN  M255449D/M255410/M255410EA TIMKEN  L44640/L44610 LYC  112.80.3200.12K SKF  51328M SKF  313811 SKF  SNL517 ZKL  NJ234 INA  4100-AW INA  IR12X16X22 SKF  23130CCK/W33 KOYO  RS455017 KOYO  47T191310 TIMKEN  S-4055-C IKO  CF30-1BUU

版权所有©2009-2015 轴承狗zcgou.com ICP备案:津ICP备14004550号-13