SKFKMT24轴承详细参数

发布时间:2026-04-29
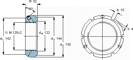
带锁紧销的KMT精密锁紧定螺母
螺纹尺寸 尺寸 轴向负荷 体积 型号 平头螺钉
承载能力 锁定螺母 适宜的板手 尺寸 推荐的紧固扭矩
d3 B G 静态
- mm - kN kg --- Nm
12014432M 120x28601,60KMT 24TMFN 23-30M 1035

SKFKMT24轴承附件供应商

八零动力专业销售KMT24轴承附件,库存SKFKMT24大量现货,与SKF合作,咨询热线:022-58519723业务咨询
SKFKMT24每一次转动都是精准与力量的完美呈现,优秀的轴承,就像精密仪器的心脏,确保着整个系统的高效运转优秀的设计理念和精湛的制造工艺,成就了这款杰出的轴承轴承的稳定性和可靠性表现卓越,赢得了广泛赞誉它的旋转精度,让高速运转成为现实 制造工艺精湛,使得这款轴承在运转时更加顺畅平稳,八零动力SKF轴承附件品种全,价格优,质量有保证!

用户关注最多的SKF轴承型号

SKF206 SKF32044T165X/DB42C220 SKF6210-2ZN SKF7217BECBP SKFBT4B334072BG/HA1VA901 SKFCR25X35X7HMSA10RG SKFCR401204 SKFCR45X58X7HMS5RG SKFFYC65TF SKFFYR3.15/16-3 SKFNJ18/750MA SKFNNCL4920CV SKFNNU4056KM/W33 SKFP52R-3/4WF SKFQJ1988N2MA

KMT24轴承附件近似的SKF轴承型号

SKFAOH24048 SKFSNW3124x4.3/16 SKFAOH24052G SKFAOH24056G SKFAH24130 SKFHE2324L SKFAH24032 SKFKMTA24 SKFSNW124x4.1/4 SKFH3124L SKFKMT22 SKFKMT26

用户关注最多的轴承狗热门型号

FLT  NJ230 FLT  NU2309 NTN  24032C STEYR  6317N SKF  P13/16WF NSK  50BER29HV1V NACHI  7305 MRC  6022-Z ASK  NU1013 BARDEN  7210AC/DT FAG  SNV062-L + 1206-K-TVH-C3 + H206X015 + DH506X014 FAG  SNV190-L + 21318-E1-K + H318 + TSV518 NMB  L-520W52 SKF  NUP314E TIMKEN  EE107057/107105

版权所有©2009-2015 轴承狗zcgou.com ICP备案:津ICP备14004550号-13