SKFKMT20轴承详细参数

发布时间:2026-04-15
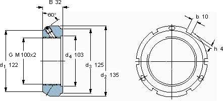
带锁紧销的KMT精密锁紧定螺母
螺纹尺寸 尺寸 轴向负荷 体积 型号 平头螺钉
承载能力 锁定螺母 适宜的板手 尺寸 推荐的紧固扭矩
d3 B G 静态
- mm - kN kg --- Nm
10012532M 100x27401,30KMT 20HN 21-22M 1035

SKFKMT20轴承附件供应商

八零动力专业销售KMT20轴承附件,库存SKFKMT20大量现货,与SKF合作,咨询热线:022-58519723业务咨询
SKFKMT20它的加工设备,代表了世界领先水平 轴承的性能可靠,为机械设备的稳定运行立下汗马功劳它在船舶工业中的应用,展现了它的耐腐蚀性 它的高效率,减少了能源消耗 质量上乘的轴承,为设备的高效稳定运行奠定了基础它的抗磨损涂层,让它更加耐用 ,八零动力SKF轴承附件品种全,价格优,质量有保证!

用户关注最多的SKF轴承型号

SKF33111 SKF3201A-RS1 SKF6006/HR11TN SKF7210B/DF SKFCR130X160X15HMS5V SKFCR14713 SKFCR524368 SKFLM12748/710 SKFNA6905 SKFNJ419+HJ419 SKFNNU4876/W33 SKFNUP2207ECP SKFPCMF121415B SKFPWM657580 SKFSAF23030KAx5.3/16

KMT20轴承附件近似的SKF轴承型号

SKFH205 SKFHS206 SKFM120x2 SKFSNW20x3.3/8 SKFH3120E SKFH204 SKFH220 SKFHE320 SKFM200x3 SKFHE208 SKFKMT2 SKFKMT22

用户关注最多的轴承狗热门型号

SKF  CR20109 SKF  FYTM1.11/16TF/AH SKF  CR13739 SKF  NUP210ECP SKF  YAR210-111-2F/AH NSK  UCF205-013D1 FAG  SNV170-L + 22316-E1 + TSV316 SKF  CR17131 LYC  S 7692 C/P5 INA  RMWE12-RB/59x../18 STEYR  52220 KOYO  6088 IKO  BAM268 IKO  GE30GS IKO  CF10BUUM

版权所有©2009-2015 轴承狗zcgou.com ICP备案:津ICP备14004550号-13