SKFKMTA20轴承详细参数

发布时间:2026-05-30
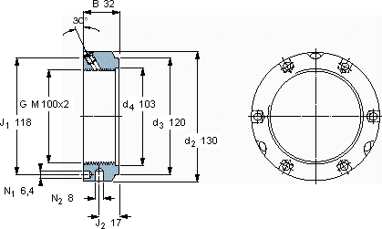
带锁紧销的KMTA精密锁紧定螺母
螺纹尺寸 尺寸 轴向负荷 体积 型号 平头螺钉
承载能力 锁定螺母 适宜的板手 尺寸 推荐的紧固扭矩
d3 B G 静态
- mm - kN kg --- Nm
10012032M 100x27401,30KMTA 20B 120-130M 1035

SKFKMTA20轴承附件供应商

八零动力专业销售KMTA20轴承附件,库存SKFKMTA20大量现货,与SKF合作,咨询热线:022-58519723业务咨询
SKFKMTA20性能优越的轴承,极大地提升了设备的工作性能和效率它的耐用性,赢得了无数用户的信赖 它的精密设计,展现了人类智慧的巅峰 它的故障率极低,确保了设备的稳定运行 轴承的耐用性强,减少了设备的停机维护时间减少摩擦降低能耗,八零动力SKF轴承附件品种全,价格优,质量有保证!

用户关注最多的SKF轴承型号

SKF1208EKTN9 SKF607/HR11TN SKF7012DB/P7 SKF7038C SKFBT2B332845/HA2 SKFCR125X150X12HMSA10RG SKFFYRP2.3/16H SKFIR50x60x20IS1 SKFK125x133x35 SKFNJ217E+HJ217E SKFNJ424 SKFPCM455020B SKFPCZ0814B SKFSAFC2544x7.7/8 SKFSYR3N

KMTA20轴承附件近似的SKF轴承型号

SKFMB20 SKFH209 SKFHE220 SKFH204 SKFAHX320 SKFSNW120x3.5/16 SKFH2320 SKFH320E SKFHA207 SKFHA206 SKFKMTA19 SKFKMTA22

用户关注最多的轴承狗热门型号

SKF  QJ207N2MA NACHI  7207C INA  RMWE15-RB/119x../38 LYC  23164 CCK/W33 KOYO  54224 SKF  CR12X24X7HMSA10RG NACHI  NUP314E NSK  ZM-UCFL211-203D1 国产  29332 TIMKEN  81575/81963CD FLT  NU313 TIMKEN  NU2210E.TVP SKF  BTW80CTN9/SP FAG  BND3080-H-C-Y-AL-S IKO  CFS4FV

版权所有©2009-2015 轴承狗zcgou.com ICP备案:津ICP备14004550号-13