
SKFHMVC96E轴承详细参数
发布时间:2026-05-30
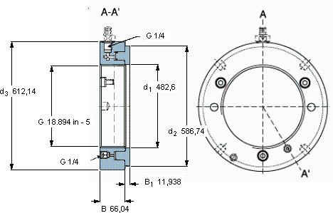
| | | | | | | | | | | | |
| Hydraulic nuts, inch sizes |
|  |
| 螺纹尺寸 | 尺寸 | Permitted | Piston area | 体积 | 型号 |
| | | | | | | | piston | | | | |
| | G | d1 | d2 | d3 | B | B1 | displacement | | | | |
|  |
| mm | mm (metric sizes) | mm | mm | mm2 (metric sizes) | kg | - |
| | in - threads/in (inch sizes) | | | | | | | in2 (inch sizes) | | | |
|  |
| 476,86 | 18.894 in - 5 | 482,6 | 586,74 | 612,14 | 66,04 | 11,938 | 19,05 | 75,3 | 139 | HMVC 96E | - |
SKFHMVC96E轴承附件供应商
- 八零动力专业销售HMVC96E轴承附件,库存SKFHMVC96E大量现货,与SKF合作,咨询热线:022-58519723

- SKFHMVC96E制造工艺精湛,使得这款轴承的精度和稳定性都非常出色它的抗疲劳性能,确保了长期使用的可靠性 精密与耐用的完美结合,这款轴承的稳定性极佳,在长时间运行中也能保持良好状态高精度与高可靠性的完美结合,成就了这款杰出的轴承它的耐用性,让人惊叹不已 ,八零动力SKF轴承附件品种全,价格优,质量有保证!
用户关注最多的SKF轴承型号
SKF3305A-2Z/MT33*
SKF2x7338BCBM
SKF32017X/QDF
SKF59196F
SKF626/HR22Q2
SKF7002CD/P4A
SKF7017ACD/HCP4A
SKFCR400130
SKFCR42X66X10HMS5V
SKFFYT1.5/16FM
SKFNKI25/20
SKFNU208ECML*
SKFNUP207ECP
SKFSALKAC30M
SKFSYFL3/4TH