

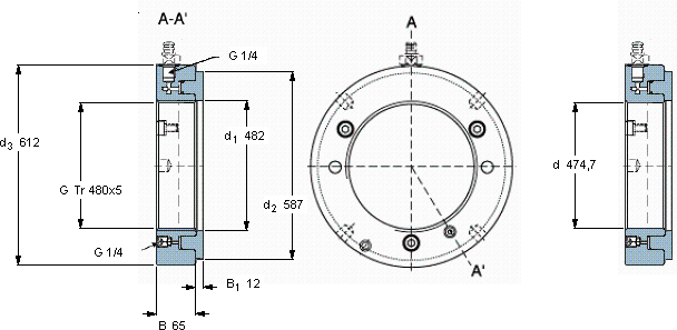
| Hydraulic nuts, metric sizes | ||||||||||||
| 螺纹尺寸 | 尺寸 | Permitted | Piston area | 体积 | 型号 | |||||||
| piston | ||||||||||||
| G | d1 | d2 | d3 | B | B1 | displacement | ||||||
| mm | mm (metric sizes) | mm | mm | mm2 (metric sizes) | kg | - | ||||||
| in - threads/in (inch sizes) | in2 (inch sizes) | |||||||||||
| 480 | Tr 480x5 | 482 | 587 | 612 | 65 | 12 | 19 | 48600 | 63,0 | HMV 96E | HMV 96E/A101 | |
版权所有©2009-2015 轴承狗zcgou.com ICP备案:津ICP备14004550号-13