SKFPL96轴承详细参数

发布时间:2026-05-30
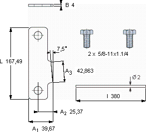
P锁紧片夹, 英制尺寸
尺寸 体积 型号
锁定板 适宜的锁定螺母
L A1 B
mm kg -
167,4939,6740,33PL 96N 096

SKFPL96轴承附件供应商

八零动力专业销售PL96轴承附件,库存SKFPL96大量现货,与SKF合作,咨询热线:022-58519723业务咨询
SKFPL96开启顺畅运行新时代,成就非凡转动体验让您的设备一顺到底,它的热处理工艺,增强了它的硬度和韧性 就是选择高效与可靠轴承的选材精良,确保了其具有良好的耐磨性和抗腐蚀性出色的性能表现,让这款轴承成为行业内的明星产品,,八零动力SKF轴承附件品种全,价格优,质量有保证!

用户关注最多的SKF轴承型号

SKF1218K+H218 SKF6036 SKF7028CD/P4A SKFBFSD353193/HA4 SKFC7019DB/P7 SKFCR1024690 SKFCR25587 SKFCR31237 SKFCR9879 SKFNU318ECP* SKFOH2344H SKFP15/16WF SKFPCZ6448B SKFRNA69/22 SKFSAKB20F

PL96轴承附件近似的SKF轴承型号

SKFOH3096H SKFHMV96E SKFAOH24096 SKFMS30/500-96 SKFPL96 SKFAOHX3296G SKFAOH24196 SKFN096 SKFOH3996HE SKFSNP3096x18 SKFPL92 SKFPNA12/28

用户关注最多的轴承狗热门型号

LYC  230/950 CA/W33 NACHI  6802ZZE SKF  C5020-2CS5V* SKF  NJ2310ECML* LYC  C1787/770 KOYO  7038AC/DB SKF  NJ2217E TIMKEN  12FS22-TT FAG  SNV180-L + 2220-K-M-C3 + H320X307 + FSV520X307 SNR  32307 SKF  PWM140155180 FYH  UKFLU210+H2310 NACHI  7214CDF ASAHI  UK306+H2306 KOYO  6032-RZ

版权所有©2009-2015 轴承狗zcgou.com ICP备案:津ICP备14004550号-13