
SKFHMVC84E轴承详细参数
发布时间:2026-05-30
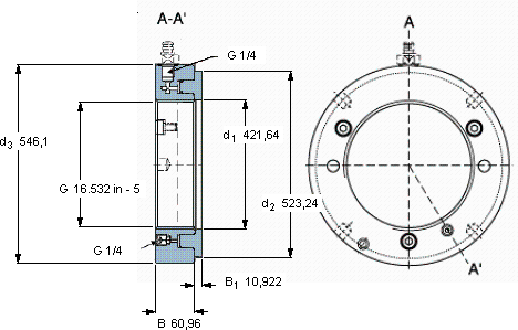
| | | | | | | | | | | | |
| Hydraulic nuts, inch sizes |
|  |
| 螺纹尺寸 | 尺寸 | Permitted | Piston area | 体积 | 型号 |
| | | | | | | | piston | | | | |
| | G | d1 | d2 | d3 | B | B1 | displacement | | | | |
|  |
| mm | mm (metric sizes) | mm | mm | mm2 (metric sizes) | kg | - |
| | in - threads/in (inch sizes) | | | | | | | in2 (inch sizes) | | | |
|  |
| 416,865 | 16.532 in - 5 | 421,64 | 523,24 | 546,1 | 60,96 | 10,922 | 17,018 | 62 | 110 | HMVC 84E | - |
SKFHMVC84E轴承附件供应商
- 八零动力专业销售HMVC84E轴承附件,库存SKFHMVC84E大量现货,与SKF合作,咨询热线:022-58519723

- SKFHMVC84E为您的机械提供持久动力,轴承的稳定性和可靠性表现出色,赢得了用户的高度认可它在船舶工业中的应用,展现了它的耐腐蚀性 卓越的性能和可靠的质量,让这款轴承成为市场的宠儿优秀的设计理念和精湛的制造工艺,成就了这款杰出的轴承它在机器人领域的应用,展现了它的高精密性 ,八零动力SKF轴承附件品种全,价格优,质量有保证!
用户关注最多的SKF轴承型号
SKF22217EK+AHX317*
SKF331149A
SKF6200-RSH*
SKFBC2B320299
SKFAXK85110
SKFC3184M*
SKFCR1181300
SKFCR250x280x15HS8R
SKFCR90155
SKFHM266449/410
SKFNCF2980CV
SKFNNUP4964B/HB1W33
SKFPCM303420B
SKFPWM556370
SKFRNA4904.2RS