
SKFHMVC72E轴承详细参数
发布时间:2026-04-15
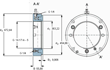
| | | | | | | | | | | | |
| Hydraulic nuts, inch sizes |
|  |
| 螺纹尺寸 | 尺寸 | Permitted | Piston area | 体积 | 型号 |
| | | | | | | | piston | | | | |
| | G | d1 | d2 | d3 | B | B1 | displacement | | | | |
|  |
| mm | mm (metric sizes) | mm | mm | mm2 (metric sizes) | kg | - |
| | in - threads/in (inch sizes) | | | | | | | in2 (inch sizes) | | | |
|  |
| 356,87 | 14.17 in - 5 | 363,22 | 454,66 | 472,44 | 55,88 | 9,906 | 14,986 | 48,5 | 78,3 | HMVC 72E | - |
SKFHMVC72E轴承附件供应商
- 八零动力专业销售HMVC72E轴承附件,库存SKFHMVC72E大量现货,与SKF合作,咨询热线:022-58519723

- SKFHMVC72E它的承载能力,堪称机械界的“大力士” 优秀的轴承,就像精密仪器的心脏,确保着整个系统的高效运转它的抗压强度,让它承载能力惊人 这款轴承的运转平稳,几乎听不到任何噪音,令人惊艳高品质的轴承,在复杂工况下也能展现出卓越的性能高精度低摩擦,八零动力SKF轴承附件品种全,价格优,质量有保证!
用户关注最多的SKF轴承型号
SKF2302
SKF23980CC/W33*
SKF60/530N1MAS
SKF61911-2RS
SKFBFSB353320/HA4
SKFFYRP2-18
SKFN2332
SKFNCF2922CV
SKFNNCF5030CV
SKFNUB211ECJ
SKFPFD25RM
SKFQJ328N2MA*
SKFSAF22624x4.1/4
SKFYEL211-2F
SKFYET206-104