
SKFHMVC68E轴承详细参数
发布时间:2026-05-29
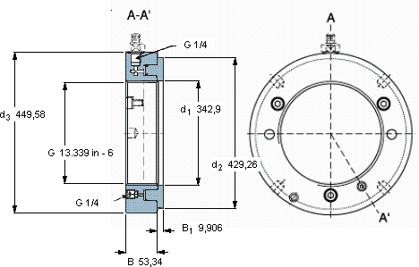
| | | | | | | | | | | | |
| Hydraulic nuts, inch sizes |
|  |
| 螺纹尺寸 | 尺寸 | Permitted | Piston area | 体积 | 型号 |
| | | | | | | | piston | | | | |
| | G | d1 | d2 | d3 | B | B1 | displacement | | | | |
|  |
| mm | mm (metric sizes) | mm | mm | mm2 (metric sizes) | kg | - |
| | in - threads/in (inch sizes) | | | | | | | in2 (inch sizes) | | | |
|  |
| 335,763 | 13.339 in - 6 | 342,9 | 429,26 | 449,58 | 53,34 | 9,906 | 13,97 | 44 | 69,4 | HMVC 68E | - |
SKFHMVC68E轴承附件供应商
- 八零动力专业销售HMVC68E轴承附件,库存SKFHMVC68E大量现货,与SKF合作,咨询热线:022-58519723

- SKFHMVC68E给您意想不到的顺畅体验,这款轴承的精度极高,能够满足对精度要求苛刻的设备卓越的性能表现,使这款轴承在市场上拥有良好的口碑它的抗拉强度,让它经得起各种考验 高精度低摩擦高精度与高可靠性的完美结合,成就了这款杰出的轴承,八零动力SKF轴承附件品种全,价格优,质量有保证!
用户关注最多的SKF轴承型号
SKF208-2ZNR
SKF230/900CA/W33
SKF30220J2
SKF7013AC/DF
SKFBT2B334032/HA4
SKFCR16x32x7CRW1R
SKFCR33735
SKFCR75X120X12HMS5RG
SKFCR99834
SKFHN4520
SKFNNU4840/W33
SKFNU20/600ECMA
SKFNU2310ECP*
SKFPF1.7/16FM
SKFW6005-2RS1