SKFOH3172H轴承详细参数

发布时间:2026-05-29
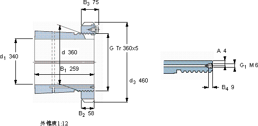
紧定套
尺寸 体积 型号
紧定轴套带螺母 锁定螺母 锁定装置 适宜的液压
d1 d d3 B1 G 和锁紧装置螺母
mm kg -
340360460259Tr 360x556,0OH 3172 HHM 3172MS 3172-68HMV 72 E

SKFOH3172H轴承附件供应商

八零动力专业销售OH3172H轴承附件,库存SKFOH3172H大量现货,与SKF合作,咨询热线:022-58519723业务咨询
SKFOH3172H轴承的精度和稳定性都达到了行业顶尖水平它在风力发电中的应用,为清洁能源贡献力量 这款轴承的性能卓越,有效提升了设备的整体性能和可靠性它虽小,却是工业革命的基石 它在食品机械中的应用,展现了它的卫生性能 它在医疗设备中的应用,确保了设备的稳定性 ,八零动力SKF轴承附件品种全,价格优,质量有保证!

用户关注最多的SKF轴承型号

SKF219-2Z SKF3310A/W64* SKF33122 SKF33213 SKFAH2336/160G SKFCR150X180X15HMSA10V SKFCR24X35X7HMS5RG SKFCR35676 SKFCR88X110X13CRSH1R SKFGE100TXA-2LS SKFHCCE025R SKFNCF3092CV SKFNNC4830CV SKFOKCX140 SKFSY1.1/16WF

OH3172H轴承附件近似的SKF轴承型号

SKFHM3172 SKFOH3172HE SKFAOH3172G SKFSNP3172x13.7/16 SKFOH3172H SKFMS3172-68 SKFOH3168H SKFOH3172HE

用户关注最多的轴承狗热门型号

NTN  NF314 SKF  N1011KTNHA/HC5SP SKF  PCM060808E TORRINGTON  23068CAC/W33 NSK  7214BWG SNR  7234C/DF KOYO  580R/572X NACHI  NU316E FAG  BND3076-H-W-Y-AL-S SKF  CR400555 INA  KXO10-PP NSK  7902CDT SKF  SDAF22544x7.7/8 NTN  61912-2RS KOYO  6581XR/35

版权所有©2009-2015 轴承狗zcgou.com ICP备案:津ICP备14004550号-13