SKFOH3960H轴承详细参数

发布时间:2026-04-14
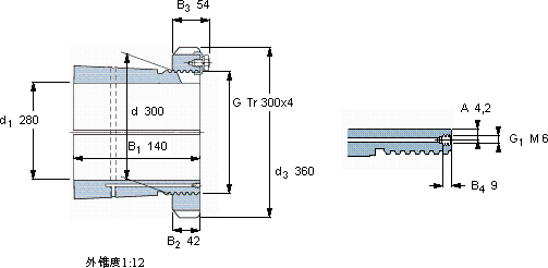
紧定套
尺寸 体积 型号
紧定轴套带螺母 锁定螺母 锁定装置 适宜的液压
d1 d d3 B1 G 和锁紧装置螺母
mm kg -
280300360140Tr 300x420,0OH 3960 HHM 3060MS 3060HMV 60 E

SKFOH3960H轴承附件供应商

八零动力专业销售OH3960H轴承附件,库存SKFOH3960H大量现货,与SKF合作,咨询热线:022-58519723业务咨询
SKFOH3960H轴承的精度极高,使得设备的运行误差被控制在极小范围内高品质的轴承,在各种复杂环境下都能稳定发挥作用它的轴向游隙控制,精准到令人惊叹 这款轴承的运转十分平稳,几乎感受不到任何震动它的微观表面处理,减少了摩擦和磨损 它的每一次转动,都是对精准度的极致追求 ,八零动力SKF轴承附件品种全,价格优,质量有保证!

用户关注最多的SKF轴承型号

SKF314563 SKF71917CD/HCP4A SKFCR596405 SKFK195x205x37 SKFNCF3032CV SKFNJ2324ECM* SKFNNU4096KM/W33 SKFNU1O15ML SKFNX10 SKFPCM200205100B SKFQJ306MA* SKFSNW3028x4.7/8 SKFSY1.15/16WF SKFSYF50TF SKFSYNT40L

OH3960H轴承附件近似的SKF轴承型号

SKFOH3960H SKFOH3956H SKFOH3964H

用户关注最多的轴承狗热门型号

SKF  NJ2222ECP KOYO  22344R INA  NX17-Z INA  RNA69/28 SKF  SAF1308 STEYR  1210 SKF  CR47X62X9HMS1R SKF  7013AC SKF  61804-2RZ NTN  NN3021K SKF  PCM283225E SKF  CR87298 FAG  SNV100-L + 2211-K-TVH-C3 + H311X114 + DH511X114 IKO  TA1520Z IKO  RNA69-28

版权所有©2009-2015 轴承狗zcgou.com ICP备案:津ICP备14004550号-13