
SKFHMVC38E轴承详细参数
发布时间:2026-05-30
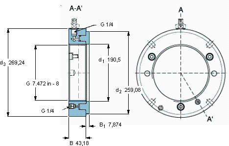
| | | | | | | | | | | | |
| Hydraulic nuts, inch sizes |
|  |
| 螺纹尺寸 | 尺寸 | Permitted | Piston area | 体积 | 型号 |
| | | | | | | | piston | | | | |
| | G | d1 | d2 | d3 | B | B1 | displacement | | | | |
|  |
| mm | mm (metric sizes) | mm | mm | mm2 (metric sizes) | kg | - |
| | in - threads/in (inch sizes) | | | | | | | in2 (inch sizes) | | | |
|  |
| 187,726 | 7.472 in - 8 | 190,5 | 259,08 | 269,24 | 43,18 | 7,874 | 7,112 | 17,8 | 23,1 | HMVC 38E | - |
SKFHMVC38E轴承附件供应商
- 八零动力专业销售HMVC38E轴承附件,库存SKFHMVC38E大量现货,与SKF合作,咨询热线:022-58519723

- SKFHMVC38E它的热处理工艺,增强了它的硬度和韧性 是您成功路上的得力助手,承载未来设计合理、性能优良的轴承,是机械设备的理想之选是机械世界的璀璨明星,要设备更出色,八零动力SKF轴承附件品种全,价格优,质量有保证!
用户关注最多的SKF轴承型号
SKF6009-Z*
SKF71805ACD/P4
SKF71920ACE/P4A
SKFBC2B326137/HB1
SKFC30/750KMB+OH30/750HE*
SKFCR19449
SKFNKI60/35
SKFNU3064ECM
SKFOKBS104
SKFPCM030403E/VB055
SKFS7012FB/P7
SKFSNL3164G
SKFSYE3.1/2NH-118
SKFYAR209-110-2F/AH
SKFYET204-012