
SKFHMVC36E轴承详细参数
发布时间:2026-04-15
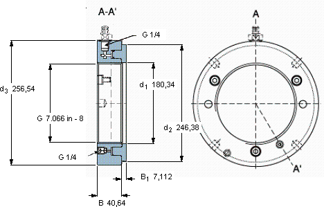
| | | | | | | | | | | | |
| Hydraulic nuts, inch sizes |
|  |
| 螺纹尺寸 | 尺寸 | Permitted | Piston area | 体积 | 型号 |
| | | | | | | | piston | | | | |
| | G | d1 | d2 | d3 | B | B1 | displacement | | | | |
|  |
| mm | mm (metric sizes) | mm | mm | mm2 (metric sizes) | kg | - |
| | in - threads/in (inch sizes) | | | | | | | in2 (inch sizes) | | | |
|  |
| 177,414 | 7.066 in - 8 | 180,34 | 246,38 | 256,54 | 40,64 | 7,112 | 6,096 | 16 | 20,2 | HMVC 36E | - |
SKFHMVC36E轴承附件供应商
- 八零动力专业销售HMVC36E轴承附件,库存SKFHMVC36E大量现货,与SKF合作,咨询热线:022-58519723

- SKFHMVC36E它的密封性能,完美抵御灰尘和杂质的侵袭 是您设备高效运转的可靠伙伴,坚固耐用卓越的性能表现,让这款轴承在市场上脱颖而出为您的设备保驾护航,让机械运转无忧质量无可比拟的轴承,在行业内树立了良好的品质标杆,八零动力SKF轴承附件品种全,价格优,质量有保证!
用户关注最多的SKF轴承型号
SKF1203ETN9
SKF1313EKTN9
SKF2x7316BECBY
SKF6300/HR11QN
SKF7018ACE/P4A
SKFAN22
SKFCR11728
SKFCR56X70X8CRS11R
SKFNKI5/12
SKFNUP2205E
SKFOKC500
SKFRIS208A
SKFSNL4096GL
SKFTUL25TR/VE495
SKFYAR209-112-2FW/VA201