
SKFALS28ABP轴承详细参数
发布时间:2026-04-15
| | | | | | | | | | | |
| 角接触球轴承, 单列, 英制轴承 |
 |
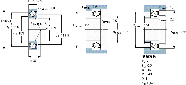
| 主要数据尺寸 | 尺寸 [英寸] | 疲劳负荷限值 | 额定速度 | 体积 | 型号 |
| | 动态 | 静态 | | 参照速度 | 限制速度 |
| d | D | B | C | C0 | Pu | |
 |
| mm | kN | kN | r/min | kg | - | |
 |
| 88,9 | 165,1 | 28,575 | 127 | 112 | 4,25 | 5000 | 5000 | 2,40 | ALS 28 ABP | 仅对售后市场 |
SKFALS28ABP角接触球轴承供应商
- 八零动力专业销售ALS28ABP角接触球轴承,库存SKFALS28ABP大量现货,与SKF合作,咨询热线:022-58519723

- SKFALS28ABP是您值得信赖的工业伙伴,为您的机械保驾护航制造工艺精湛,使得这款轴承在运转时更加顺畅平稳它的轻量化设计,减少了运输成本 始终顺滑如初,它的低噪音设计,减少了对环境的噪音污染 其设计和制造都达到了极高的水准,是一款不可多得的轴承,八零动力SKF角接触球轴承品种全,价格优,质量有保证!
用户关注最多的SKF轴承型号
SKF23040CCK/33+H3040
SKF61826-RS
SKF634-RZ
SKF71914AC
SKFCR15656
SKFCR42433
SKFMS30/600-530
SKFNJ216ECJ*
SKFOH39/530H
SKFP80R-1.3/8RM
SKFPCZ4432M
SKFRN-5x29.8BF/G2
SKFS71909CD/HCP4A
SKFT2EE060/Q
SKFYAR207-2RF/VE495