
SKFHMVC190E轴承详细参数
发布时间:2026-04-14
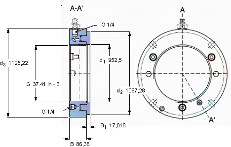
| | | | | | | | | | | | |
| Hydraulic nuts, inch sizes |
|  |
| 螺纹尺寸 | 尺寸 | Permitted | Piston area | 体积 | 型号 |
| | | | | | | | piston | | | | |
| | G | d1 | d2 | d3 | B | B1 | displacement | | | | |
|  |
| mm | mm (metric sizes) | mm | mm | mm2 (metric sizes) | kg | - |
| | in - threads/in (inch sizes) | | | | | | | in2 (inch sizes) | | | |
|  |
| 945,464 | 37.41 in - 3 | 952,5 | 1097,28 | 1125,22 | 86,36 | 17,018 | 29,972 | 210,3 | 481 | HMVC 190E | - |
SKFHMVC190E轴承附件供应商
- 八零动力专业销售HMVC190E轴承附件,库存SKFHMVC190E大量现货,与SKF合作,咨询热线:022-58519723

- SKFHMVC190E优秀的设计理念和精湛的制造工艺,成就了这款优秀的轴承精密与耐用的完美结合,这轴承的设计简直精妙绝伦,每一处细节都彰显着极致的工艺美学这轴承的质量过硬,经得起时间和高强度工作的考验从制造工艺到实际性能,这款轴承都表现得十分出色,它的密封性能,完美抵御灰尘和杂质的侵袭 ,八零动力SKF轴承附件品种全,价格优,质量有保证!
用户关注最多的SKF轴承型号
SKF13948
SKF16026*
SKF21309E*
SKF22208E/W64*
SKF23248CCK/W33*
SKF23268CAK/W33*
SKF52213
SKFBBFB304260
SKFBK0509
SKFCR30x62x7CRW1V
SKFCR37405
SKFCR4628
SKFNKX12Z
SKFRNA2204.2RS
SKFSNL3156