
SKFHMVC18E轴承详细参数
发布时间:2026-05-30
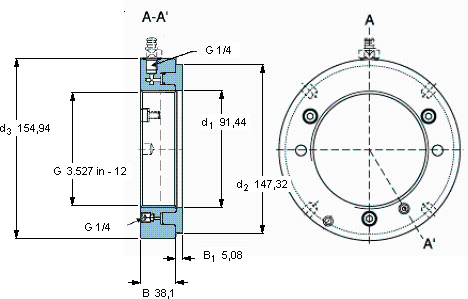
| | | | | | | | | | | | |
| Hydraulic nuts, inch sizes |
|  |
| 螺纹尺寸 | 尺寸 | Permitted | Piston area | 体积 | 型号 |
| | | | | | | | piston | | | | |
| | G | d1 | d2 | d3 | B | B1 | displacement | | | | |
|  |
| mm | mm (metric sizes) | mm | mm | mm2 (metric sizes) | kg | - |
| | in - threads/in (inch sizes) | | | | | | | in2 (inch sizes) | | | |
|  |
| 88,212 | 3.527 in - 12 | 91,44 | 147,32 | 154,94 | 38,1 | 5,08 | 5,08 | 7,3 | 8,8 | HMVC 18E | - |
SKFHMVC18E轴承附件供应商
- 八零动力专业销售HMVC18E轴承附件,库存SKFHMVC18E大量现货,与SKF合作,咨询热线:022-58519723

- SKFHMVC18E成就非凡转动体验让您的设备一顺到底,稳定的传奇它在航空航天领域的应用,展现了它的高可靠性 这轴承的精度控制令人佩服,为设备的精准运行提供了保障它的使用寿命,远超同类产品 轴承的性能可靠,为机械设备的稳定运行立下汗马功劳,八零动力SKF轴承附件品种全,价格优,质量有保证!
用户关注最多的SKF轴承型号
SKF2x7206BEGAY
SKF51200V/HR22Q2
SKF71909CE/P4A
SKF81252M
SKFCR16180
SKFCR35X62X7HMS5V
SKFCR400654
SKFCR40X52X7HMS5RG
SKFCR4943
SKFKMTA7
SKFNNUD6076M
SKFNU208ECP*
SKFPCZ1114B
SKFTU55TF
SKFYAR213-2F