
SKFHMVC170E轴承详细参数
发布时间:2026-05-30
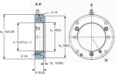
| | | | | | | | | | | | |
| Hydraulic nuts, inch sizes |
|  |
| 螺纹尺寸 | 尺寸 | Permitted | Piston area | 体积 | 型号 |
| | | | | | | | piston | | | | |
| | G | d1 | d2 | d3 | B | B1 | displacement | | | | |
|  |
| mm | mm (metric sizes) | mm | mm | mm2 (metric sizes) | kg | - |
| | in - threads/in (inch sizes) | | | | | | | in2 (inch sizes) | | | |
|  |
| 845,464 | 33.473 in - 3 | 850,9 | 990,6 | 1021,08 | 83,82 | 16,002 | 25,908 | 177,6 | 399 | HMVC 170E | - |
SKFHMVC170E轴承附件供应商
- 八零动力专业销售HMVC170E轴承附件,库存SKFHMVC170E大量现货,与SKF合作,咨询热线:022-58519723

- SKFHMVC170E它的每一次转动,都是对效率的极致追求 这轴承的精度控制令人佩服,为设备的精准运行提供了保障它的材质选择,体现了对品质的极致追求 轴承的稳定性和可靠性表现出色,赢得了用户的高度认可该轴承的性能卓越,完全满足了各种严苛工况的需求其设计和制造工艺都达到了国际先进水平,是一款优质轴承,八零动力SKF轴承附件品种全,价格优,质量有保证!
用户关注最多的SKF轴承型号
SKF2215ETN9
SKF22209EK+AH309*
SKF234715B
SKF351793
SKFAH3038G
SKFBSA207CG
SKFBT4B334016AG/HA1VA901
SKFC2209KTN9+H309E*
SKFCR86145
SKFGE50TXG3E-2LS
SKFHMVC17E
SKFNNU4952B/SPW33
SKFQJ314N2PHAS*
SKFSDAF23184
SKFYAR215-212-2F