
SKFHMVC16E轴承详细参数
发布时间:2026-05-30
| | | | | | | | | | | | |
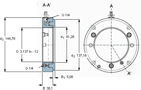
| Hydraulic nuts, inch sizes |
|  |
| 螺纹尺寸 | 尺寸 | Permitted | Piston area | 体积 | 型号 |
| | | | | | | | piston | | | | |
| | G | d1 | d2 | d3 | B | B1 | displacement | | | | |
|  |
| mm | mm (metric sizes) | mm | mm | mm2 (metric sizes) | kg | - |
| | in - threads/in (inch sizes) | | | | | | | in2 (inch sizes) | | | |
|  |
| 78,306 | 3.137 in - 12 | 81,28 | 137,16 | 144,78 | 38,1 | 5,08 | 5,08 | 6,5 | 8,2 | HMVC 16E | - |
SKFHMVC16E轴承附件供应商
- 八零动力专业销售HMVC16E轴承附件,库存SKFHMVC16E大量现货,与SKF合作,咨询热线:022-58519723

- SKFHMVC16E它的长寿命,减少了更换频率 性能优越的轴承,极大地提升了设备的工作性能和效率它的加工精度,确保了机械运转的稳定性 它的低噪音设计,减少了对环境的噪音污染 旋转不息性能优越的轴承,极大地提高了设备的工作效率和稳定性,八零动力SKF轴承附件品种全,价格优,质量有保证!
用户关注最多的SKF轴承型号
SKF2305E-2RS1TN9
SKF23228CCK/W33+AHX3228G*
SKF234722B
SKF24015CC/W33
SKF6007-2Z*
SKF7211BEP
SKF7315BEGAP*
SKFCR15080
SKFCR280x320x20CRWA1V
SKFCR35X50X10HMSA10RG
SKFCR45X68X7HMS5RG
SKFGE45TXE-2LS
SKFNK45/20TN
SKFNNU41/900K30M/W33
SKFSNW13x2