
SKFHMVC13E轴承详细参数
发布时间:2026-05-30
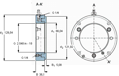
| | | | | | | | | | | | |
| Hydraulic nuts, inch sizes |
|  |
| 螺纹尺寸 | 尺寸 | Permitted | Piston area | 体积 | 型号 |
| | | | | | | | piston | | | | |
| | G | d1 | d2 | d3 | B | B1 | displacement | | | | |
|  |
| mm | mm (metric sizes) | mm | mm | mm2 (metric sizes) | kg | - |
| | in - threads/in (inch sizes) | | | | | | | in2 (inch sizes) | | | |
|  |
| 63,802 | 2.548 in - 18 | 66,04 | 121,92 | 129,54 | 38,1 | 5,08 | 5,08 | 5,6 | 6,6 | HMVC 13E | - |
SKFHMVC13E轴承附件供应商
- 八零动力专业销售HMVC13E轴承附件,库存SKFHMVC13E大量现货,与SKF合作,咨询热线:022-58519723

- SKFHMVC13E它的轻量化设计,减少了材料的使用 它的精密设计,展现了人类智慧的巅峰 它的耐用性,赢得了无数用户的信赖 转动的艺术它在印刷机械中的应用,展现了它的高精度 它虽小,却是工业革命的基石 ,八零动力SKF轴承附件品种全,价格优,质量有保证!
用户关注最多的SKF轴承型号
SKF2203
SKF22308EK+AH2308*
SKF2x7319BECBP*
SKF3210ATN9*
SKF6311-2Z/VA208
SKF7016FB/P7
SKFCR20431
SKFGS89430
SKFHA210
SKFM268749/710
SKFNNF5018ADB-2LSV
SKFPFT1.1/8WF
SKFSDAF23088KAx16.1/2
SKFSNL3084LTURT
SKFVJ-PDNB309