
SKFHMVC134E轴承详细参数
发布时间:2026-05-29
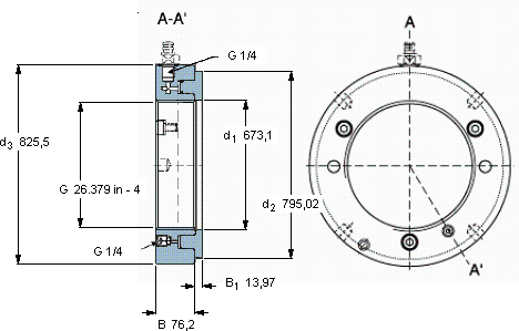
| | | | | | | | | | | | |
| Hydraulic nuts, inch sizes |
|  |
| 螺纹尺寸 | 尺寸 | Permitted | Piston area | 体积 | 型号 |
| | | | | | | | piston | | | | |
| | G | d1 | d2 | d3 | B | B1 | displacement | | | | |
|  |
| mm | mm (metric sizes) | mm | mm | mm2 (metric sizes) | kg | - |
| | in - threads/in (inch sizes) | | | | | | | in2 (inch sizes) | | | |
|  |
| 666,344 | 26.379 in - 4 | 673,1 | 795,02 | 825,5 | 76,2 | 13,97 | 23,876 | 123,2 | 265 | HMVC 134E | - |
SKFHMVC134E轴承附件供应商
- 八零动力专业销售HMVC134E轴承附件,库存SKFHMVC134E大量现货,与SKF合作,咨询热线:022-58519723

- SKFHMVC134E其设计和制造工艺都达到了国际先进水平,是一款优质轴承它的精密设计,展现了人类智慧的巅峰 它的质量过硬,为机械设备的高效、安全、稳定运行 旋转无忧它在冶金设备中的应用,确保了设备的高温性能 它的耐腐蚀性,让它经久不衰 ,八零动力SKF轴承附件品种全,价格优,质量有保证!
用户关注最多的SKF轴承型号
SKF3209ATN9*
SKF61896
SKF7015ACE/HCP4A
SKFBT4B328870EX1/C480*
SKFCR30X55X10HMSA10V
SKFCR14968
SKFCR160x185x13CRSA1V
SKFCR592653
SKFCR70X90X12HMSA10RG
SKFNJ315ECP*
SKFNUP2224ECM*
SKFPCM161825E
SKFSY15FM
SKFTU1.1/2TF
SKFTUL1.1/2TH