
SKFHMVC142E轴承详细参数
发布时间:2026-05-30
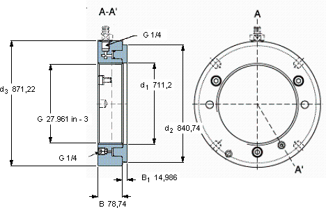
| | | | | | | | | | | | |
| Hydraulic nuts, inch sizes |
|  |
| 螺纹尺寸 | 尺寸 | Permitted | Piston area | 体积 | 型号 |
| | | | | | | | piston | | | | |
| | G | d1 | d2 | d3 | B | B1 | displacement | | | | |
|  |
| mm | mm (metric sizes) | mm | mm | mm2 (metric sizes) | kg | - |
| | in - threads/in (inch sizes) | | | | | | | in2 (inch sizes) | | | |
|  |
| 705,46 | 27.961 in - 3 | 711,2 | 840,74 | 871,22 | 78,74 | 14,986 | 24,892 | 135,9 | 298 | HMVC 142E | - |
SKFHMVC142E轴承附件供应商
- 八零动力专业销售HMVC142E轴承附件,库存SKFHMVC142E大量现货,与SKF合作,咨询热线:022-58519723

- SKFHMVC142E轴承的耐用性极佳,为设备的长期稳定运行提供了保障它的径向跳动控制,达到了行业顶尖水平 减少摩擦降低能耗设计合理、性能优良的它,是机械设备实现高效运行的重要保障它在机床设备中的应用,确保了加工精度 稳定旋转的核心力量,八零动力SKF轴承附件品种全,价格优,质量有保证!
用户关注最多的SKF轴承型号
SKF1309EKTN9
SKF292/500
SKF5210E-2Z
SKFBS2-2309-2CSK/VT143*
SKFCR17442
SKFCR38X55X10HMS5RG
SKFCR58X72X8HMSA10RG
SKFCR99111
SKFNK22/20
SKFNN3020TN9/SP
SKFNNF5004ADA-2LSV
SKFNU2220ECNML*
SKFNU10/750ECN2MA
SKFPCM11011550M
SKFQJ1276N2MA