
SKFHMVC12E轴承详细参数
发布时间:2026-05-30
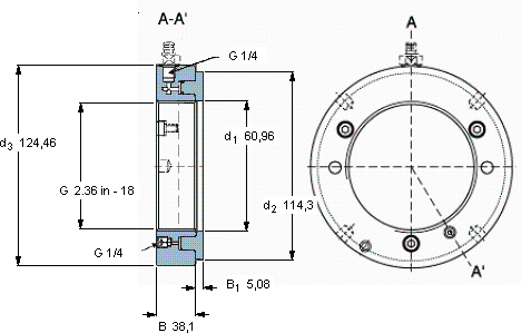
| | | | | | | | | | | | |
| Hydraulic nuts, inch sizes |
|  |
| 螺纹尺寸 | 尺寸 | Permitted | Piston area | 体积 | 型号 |
| | | | | | | | piston | | | | |
| | G | d1 | d2 | d3 | B | B1 | displacement | | | | |
|  |
| mm | mm (metric sizes) | mm | mm | mm2 (metric sizes) | kg | - |
| | in - threads/in (inch sizes) | | | | | | | in2 (inch sizes) | | | |
|  |
| 59,027 | 2.36 in - 18 | 60,96 | 114,3 | 124,46 | 38,1 | 5,08 | 5,08 | 5,1 | 6,2 | HMVC 12E | - |
SKFHMVC12E轴承附件供应商
- 八零动力专业销售HMVC12E轴承附件,库存SKFHMVC12E大量现货,与SKF合作,咨询热线:022-58519723

- SKFHMVC12E它在家用电器中的应用,让生活更加便捷 制造工艺精湛,使得这款轴承的精度和稳定性都非常出色是机械世界的璀璨明星,这款轴承的稳定性极佳,在长时间运行中也能保持良好状态给您意想不到的顺畅体验,高品质的轴承,在各种复杂工况下都能展现出卓越的性能表现,八零动力SKF轴承附件品种全,价格优,质量有保证!
用户关注最多的SKF轴承型号
SKF230/530CAK/W33+OH30/530H*
SKF2x7214BECBY
SKF2x7317BECBP*
SKF53311
SKF7216AC/DT
SKF7340BCBM
SKFBT2B328359/HA1
SKFCR20012
SKFGX17F
SKFHMVC106E
SKFIR22x28x20.5
SKFNCF2888V
SKFNKS60
SKFNU1064MA
SKFNUP319ECP