
SKFHMVC10E轴承详细参数
发布时间:2026-04-16
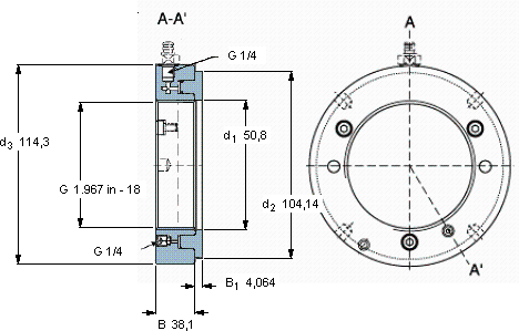
| | | | | | | | | | | | |
| Hydraulic nuts, inch sizes |
|  |
| 螺纹尺寸 | 尺寸 | Permitted | Piston area | 体积 | 型号 |
| | | | | | | | piston | | | | |
| | G | d1 | d2 | d3 | B | B1 | displacement | | | | |
|  |
| mm | mm (metric sizes) | mm | mm | mm2 (metric sizes) | kg | - |
| | in - threads/in (inch sizes) | | | | | | | in2 (inch sizes) | | | |
|  |
| 49,045 | 1.967 in - 18 | 50,8 | 104,14 | 114,3 | 38,1 | 4,064 | 5,08 | 4,5 | 6 | HMVC 10E | - |
SKFHMVC10E轴承附件供应商
- 八零动力专业销售HMVC10E轴承附件,库存SKFHMVC10E大量现货,与SKF合作,咨询热线:022-58519723

- SKFHMVC10E它的模块化设计,让安装和更换变得轻松便捷 质量上乘的轴承,为设备的高效稳定运行奠定了基础出色的性能表现,让这款轴承成为行业内的明星产品,高精度的制造工艺,造就了这款高品质的轴承这轴承的设计巧妙,充分考虑了设备的运行需求和维护便利性精湛的制造工艺赋予了这款轴承卓越的性能和品质 ,八零动力SKF轴承附件品种全,价格优,质量有保证!
用户关注最多的SKF轴承型号
SKF16006/HR11TN
SKF234726B
SKF54309
SKF61804-RZ
SKF6210-2RS1*
SKF626/HR22Q2
SKF627-RS
SKF71907ACE/HCP4A
SKFC3130K*
SKFBTM130B/HCP4CDBB
SKFCR30145
SKFCR7439
SKFGE110ES-2RS
SKFHK0810.2RS
SKFSYE2.3/16H-18