SKFFYTJ40TF轴承详细参数

发布时间:2026-05-29
Y-型轴承带法兰单元, 椭圆形铸造轴承座,平头螺钉锁定, 公制轴承
尺寸 基本负荷额定值 限制速度 质量 型号
动态 静态 轴承单元 轴承座 轴承
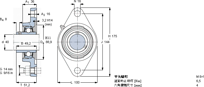
d A1 J L T C C0带轴公差h6
mm kN r/min kg -
403614410051,230,71948001,55FYTJ 40 TFFYTJ 508YAR 208-2F

SKFFYTJ40TFY-轴承法兰单元供应商

八零动力专业销售FYTJ40TFY-轴承法兰单元,库存SKFFYTJ40TF大量现货,与SKF合作,咨询热线:022-58519723业务咨询
SKFFYTJ40TF引领行业速度,我们的轴承始终稳如磐石这轴承的稳定性极佳,即使在恶劣环境下也能正常工作高品质的轴承,在各种复杂工况下都能展现出卓越的性能表现该轴承的性能卓越,完全满足了各种严苛工况的需求它在纺织机械中的应用,确保了设备的高速运转 它的质量卓越,为机械设备的安全运行保驾护航,八零动力SKFY-轴承法兰单元品种全,价格优,质量有保证!

用户关注最多的SKF轴承型号

SKF218 SKF315835A SKF3201A-2RS1 SKF619/6-2Z SKFCR19840 SKFGS81226 SKFKRE30PPA SKFN214E SKFNJ238E+HJ238E SKFNNU4926BK/SPW33 SKFNNU4948B/SPW33 SKFNU2322E SKFS71920ACD/HCP4A SKFUCFU212 SKFW619/9

FYTJ40TFY-轴承法兰单元近似的SKF轴承型号

SKFFYJ40TF SKFFYTB40FM SKFFYTB40TF SKFPFT40TR SKFFYTJ40KF SKFPFT40FM SKFPFD40WF SKFFYC40TF SKFFY40FM SKFPF40WF SKFFYTJ40KF SKFFYTJ45KF

用户关注最多的轴承狗热门型号

SKF  608-RS 国产  QJ1038X1/C9 LYC  6806 2RS FAG  SNV180-L + 2317-K-M-C3 + H2317 + DH617 NACHI  7212DB 国产  1315K SNR  6209-2RS SKF  NUP204ECPHA NSK  NN3948MB KOYO  NU2326E NSK  51328X SKF  CR20x40x7CRW1V FAG  BND2230-Z-Y-BF-S LYC  NAV 620 TIMKEN  5595/5535

版权所有©2009-2015 轴承狗zcgou.com ICP备案:津ICP备14004550号-13