SKFCR400354轴承详细参数

发布时间:2026-04-29
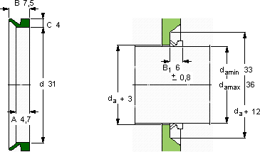
V形环密封件, VR1 设计
V形环密封件
da d A B C
最小 最大
mm mm - - - -
3336314,77,54VR1VCR 400354400354

SKFCR400354V型圈密封供应商

八零动力专业销售CR400354V型圈密封,库存SKFCR400354大量现货,与SKF合作,咨询热线:022-58519723业务咨询
SKFCR400354这款轴承的精度极高,能够满足对精度要求苛刻的设备优秀的设计和卓越的性能,让这款轴承备受青睐它的抗压强度,让它承载能力惊人 这轴承的质量过硬,经得起时间和高强度工作的考验卓越的性能表现,让这款轴承在市场上脱颖而出其设计和制造都达到了极高的水准,是一款不可多得的轴承,八零动力SKFV型圈密封品种全,价格优,质量有保证!

用户关注最多的SKF轴承型号

SKF16018* SKF351121C SKF6014-2RS SKF6022-2RS SKF7212AC/DB SKF89306TN SKFC2244K* SKFCR99423 SKFFYTJ30TF SKFNJ310ECP SKFNNU40/1000M/W33 SKFNU2206ECP SKFNU222ECJ* SKFSIQG63ES SKFSNL3264F

CR400354V型圈密封近似的SKF轴承型号

SKFCR400354 SKFCR400351 SKFCR400355

用户关注最多的轴承狗热门型号

SKF  NJ2860ECM SKF  2210EKTN9 SKF  CR30x72x12CRWA1V KOYO  NJ213E SKF  T3FE075/QVB481 NSK  23188CAMKE4 SKF  W6007 SKF  BK1614RS TIMKEN  6576/6535 SKF  CR1000111 NTN  7830CDF LYC  352148/YA1 STEYR  N334 SKF  CR1900211 IKO  CFE20VBUU

版权所有©2009-2015 轴承狗zcgou.com ICP备案:津ICP备14004550号-13