
SKFFYRP4H轴承详细参数
发布时间:2026-05-30
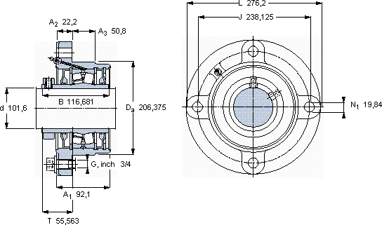
| | | | | | | | | | | |
| 带法兰的滚子轴承单元, 锁定套和插口,用于英制的轴, locating units, general conditions (double-lip seals) | |
 |
| 尺寸 | 尺寸 [英寸] | 限制速度 | 质量 | 型号 | 轴承,基本型号 |
| | 动态 | 静态 | | |
| da | A1 | J | L | T | C | C0 | |
 |
| mm | kN | r/min | kg | - | - |
 |
| 101,6 | 92,1 | 238,125 | 276,2 | 55,563 | 311 | 415 | 1200 | 18,1 | FYRP 4 H | 22220 |
SKFFYRP4H法兰滚子轴承单元供应商
- 八零动力专业销售FYRP4H法兰滚子轴承单元,库存SKFFYRP4H大量现货,与SKF合作,咨询热线:022-58519723

- SKFFYRP4H质量无可挑剔的轴承,在行业内树立了良好的口碑和形象高品质的轴承,在各种复杂环境下都能稳定发挥作用轴承的精度极高,使得设备的运行误差被控制在极小范围内这轴承的设计巧妙,充分考虑了设备的运行需求和维护便利性它的几何精度,让机械运转分毫不差 它的承载能力,堪称机械界的“大力士” ,八零动力SKF法兰滚子轴承单元品种全,价格优,质量有保证!
用户关注最多的SKF轴承型号
SKF09074/09195/QVQ494
SKF2x7220BECCM
SKF316967
SKF7017AC
SKF7022CD/P4A
SKF71907ACD/HCP4A
SKF811/1120M
SKFAOH240/530G
SKFCR40X68X8HMSA10V
SKFCR80X105X10HMS5V
SKFNKXR30Z
SKFNU2268MA
SKFSAF22534x5.7/8
SKFSYH1.3/8WF
SKFSYR2.3/4NH