
SKFFYR1.1/2H-3轴承详细参数
发布时间:2026-04-14
| | | | | | | | | | | |
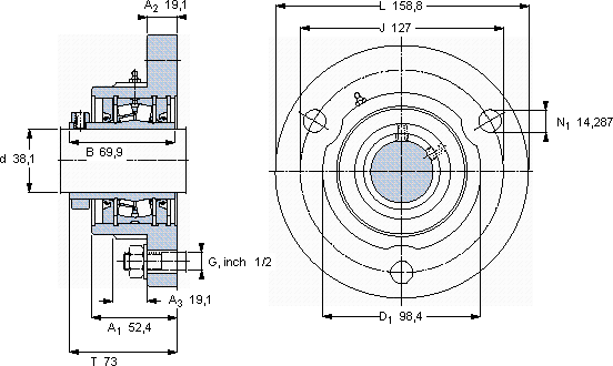
| 带法兰的滚子轴承单元, 锁定套,用于英制的轴, locating units, radial shaft seals | |
 |
| 尺寸 | 尺寸 [英寸] | 限制速度 | 质量 | 型号 | 轴承,基本型号 |
| | 动态 | 静态 | | |
| da | A1 | J | L | T | C | C0 | |
 |
| mm | kN | r/min | kg | - | - |
 |
| 38,1 | 52,4 | 127 | 158,8 | 73 | 73,8 | 81,5 | 2800 | 3,81 | FYR 1.1/2 H-3 | 22208 |
SKFFYR1.1/2H-3法兰滚子轴承单元供应商
- 八零动力专业销售FYR1.1/2H-3法兰滚子轴承单元,库存SKFFYR1.1/2H-3大量现货,与SKF合作,咨询热线:022-58519723

- SKFFYR1.1/2H-3精准承载先进的生产工艺,让这款轴承的性能得到了极大提升它的每一次转动,都是对效率的极致追求 它的圆度误差几乎可以忽略不计 这轴承的设计巧妙,充分考虑了设备的运行需求和维护便利性卓越的设计理念,赋予了这款轴承超凡的性能,八零动力SKF法兰滚子轴承单元品种全,价格优,质量有保证!
用户关注最多的SKF轴承型号
SKF23176CA/W33
SKF6213-2Z/VA228
SKF7238C
SKF87
SKFCR12X22X6HMS5RG
SKFCR35X62X10HMSA10V
SKFCR400x450.8x22.23HS8R
SKFCR5008
SKFCR524222
SKFCR525320
SKFFYR3.15/16-18
SKFFYT1.1/4ATF
SKFMB16A
SKFN1015KTNHA/HC5SP
SKFS71906ACD/P4A