
SKFFYRP3.1/2H-3轴承详细参数
发布时间:2026-05-29
| | | | | | | | | | | |
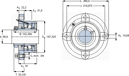
| 带法兰的滚子轴承单元, 锁定套和插口,用于英制的轴, locating units, radial shaft seals | |
 |
| 尺寸 | 尺寸 [英寸] | 限制速度 | 质量 | 型号 | 轴承,基本型号 |
| | 动态 | 静态 | | |
| da | A1 | J | L | T | C | C0 | |
 |
| mm | kN | r/min | kg | - | - |
 |
| 88,9 | 81 | 219,075 | 260,4 | 53,181 | 253 | 340 | 1300 | 13,2 | FYRP 3.1/2 H-3 | 22218 |
SKFFYRP3.1/2H-3法兰滚子轴承单元供应商
- 八零动力专业销售FYRP3.1/2H-3法兰滚子轴承单元,库存SKFFYRP3.1/2H-3大量现货,与SKF合作,咨询热线:022-58519723

- SKFFYRP3.1/2H-3它的润滑技术,让摩擦降至最低 它的高可靠性,减少了设备停机时间 轴承的精度极高,使得设备的运行误差被控制在极小范围内该轴承的性能优越,极大地提高了设备的工作效率坚固的结构稳定的性能它在船舶工业中的应用,展现了它的耐腐蚀性 ,八零动力SKF法兰滚子轴承单元品种全,价格优,质量有保证!
用户关注最多的SKF轴承型号
SKF1213K
SKF29320E*
SKFCR46X65X10HMSA10V
SKFCR60016
SKFCR6370
SKFNNU4140K30M/W33
SKFK7x10x10TN
SKFNU2309ECP
SKFOKBS87
SKFPFD1.FM
SKFQJ324N2MA*
SKFSAL17C
SKFSNL3076L
SKFSNL3092GF
SKFSNL3140/7.3/16TURT