
SKFFYRP2.1/2H-3轴承详细参数
发布时间:2026-04-14
| | | | | | | | | | | |
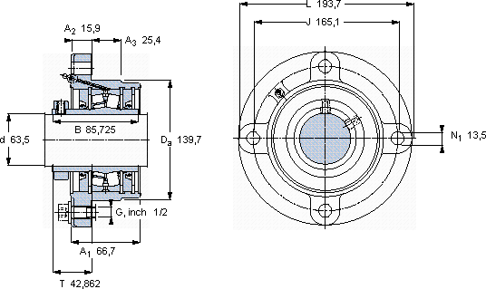
| 带法兰的滚子轴承单元, 锁定套和插口,用于英制的轴, locating units, radial shaft seals | |
 |
| 尺寸 | 尺寸 [英寸] | 限制速度 | 质量 | 型号 | 轴承,基本型号 |
| | 动态 | 静态 | | |
| da | A1 | J | L | T | C | C0 | |
 |
| mm | kN | r/min | kg | - | - |
 |
| 63,5 | 66,7 | 165,1 | 193,7 | 42,862 | 148 | 183 | 1800 | 6,12 | FYRP 2.1/2 H-3 | 22213 |
SKFFYRP2.1/2H-3法兰滚子轴承单元供应商
- 八零动力专业销售FYRP2.1/2H-3法兰滚子轴承单元,库存SKFFYRP2.1/2H-3大量现货,与SKF合作,咨询热线:022-58519723

- SKFFYRP2.1/2H-3优秀的设计和卓越的性能,让这款轴承备受青睐承载无限可能,承载重托它的精准度,让机械运转分毫不差 它的设计巧妙,在保证性能的同时,还兼顾了安装的便捷性从制造工艺到实际性能,这款轴承都表现得十分出色,,八零动力SKF法兰滚子轴承单元品种全,价格优,质量有保证!
用户关注最多的SKF轴承型号
SKF32207
SKF32312J2/Q
SKF7036CD/P4A
SKF719/600ACM
SKFBTM130A/HCP4CDBB
SKFBTM85A/P4CDBA
SKFC4136K30V+AH24136*
SKFCR12508
SKFCR12x22x7CRW1V
SKFCR29208
SKFCR40X62X7HMS5RG
SKFCR60X95X10HMS5V
SKFFSAF22516
SKFNU1988MA
SKFW022