
SKFFYRP1.7/16H-3轴承详细参数
发布时间:2026-04-14
| | | | | | | | | | | |
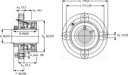
| 带法兰的滚子轴承单元, 锁定套和插口,用于英制的轴, locating units, radial shaft seals | |
 |
| 尺寸 | 尺寸 [英寸] | 限制速度 | 质量 | 型号 | 轴承,基本型号 |
| | 动态 | 静态 | | |
| da | A1 | J | L | T | C | C0 | |
 |
| mm | kN | r/min | kg | - | - |
 |
| 36,513 | 57,2 | 111,125 | 133,4 | 34,528 | 73,8 | 81,5 | 2800 | 2,86 | FYRP 1.7/16 H-3 | 22208 |
SKFFYRP1.7/16H-3法兰滚子轴承单元供应商
- 八零动力专业销售FYRP1.7/16H-3法兰滚子轴承单元,库存SKFFYRP1.7/16H-3大量现货,与SKF合作,咨询热线:022-58519723

- SKFFYRP1.7/16H-3它的设计巧妙,在保证性能的同时,还兼顾了安装的便捷性承载未来它在化工设备中的应用,展现了它的耐腐蚀性 这款轴承的性能卓越,有效提升了设备的整体性能和可靠性它的密封性能,减少了润滑剂的泄漏 它的制造工艺,堪称工业艺术的典范 ,八零动力SKF法兰滚子轴承单元品种全,价格优,质量有保证!
用户关注最多的SKF轴承型号
SKF22324CCK/W33+AHX2324G*
SKF23968CCK/W33+OH3968H*
SKF4206ATN9
SKF61936
SKFC7015DB/P7
SKFC71911FB/P7
SKFCR37526
SKFCR430x480x16HDS2R
SKFCR45X75X10CRSH1R
SKFCR527820
SKFFYRP2.1/2-18
SKFNJ216ECML*
SKFNNU4976/W33
SKFPCM505560B
SKFSNL3264GF