
SKFFYR3.1/2H-3轴承详细参数
发布时间:2026-05-29
| | | | | | | | | | | |
| 带法兰的滚子轴承单元, 锁定套,用于英制的轴, locating units, radial shaft seals | |
 |
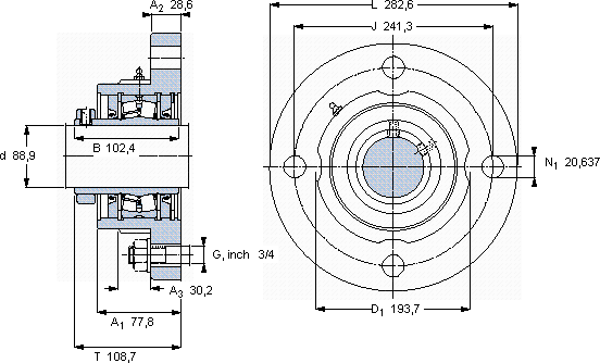
| 尺寸 | 尺寸 [英寸] | 限制速度 | 质量 | 型号 | 轴承,基本型号 |
| | 动态 | 静态 | | |
| da | A1 | J | L | T | C | C0 | |
 |
| mm | kN | r/min | kg | - | - |
 |
| 88,9 | 77,8 | 241,3 | 282,6 | 108,7 | 253 | 340 | 1300 | 17,2 | FYR 3.1/2 H-3 | 22218 |
SKFFYR3.1/2H-3法兰滚子轴承单元供应商
- 八零动力专业销售FYR3.1/2H-3法兰滚子轴承单元,库存SKFFYR3.1/2H-3大量现货,与SKF合作,咨询热线:022-58519723

- SKFFYR3.1/2H-3这轴承的精度控制令人佩服,为设备的精准运行提供了保障它在机床设备中的应用,确保了加工精度 制造工艺精湛,使得这款轴承的精度、稳定性和耐用性都非常出色转动不停歇高精度的轴承,为设备的稳定运行提供了坚实保障设计合理、性能优良的轴承,是机械设备的理想之选,八零动力SKF法兰滚子轴承单元品种全,价格优,质量有保证!
用户关注最多的SKF轴承型号
SKF239/750CAK/W33+OH39/750H*
SKF29440E*
SKF305283DA
SKF7013AC/DT
SKF7234BCBM
SKFAH3132/140G
SKFBT4B334074/HA1
SKFC31/850KMB+AOH31/850*
SKFCR10X20X7HMSA10V
SKFCR18X40X7HMSA10RG
SKFCR53294898
SKFCR55X75X10HMSA10V
SKFHMV54E
SKFRNA4872
SKFWS81138