
SKFFYR2.3/4H-3轴承详细参数
发布时间:2026-04-15
| | | | | | | | | | | |
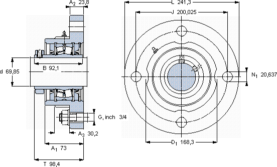
| 带法兰的滚子轴承单元, 锁定套,用于英制的轴, locating units, radial shaft seals | |
 |
| 尺寸 | 尺寸 [英寸] | 限制速度 | 质量 | 型号 | 轴承,基本型号 |
| | 动态 | 静态 | | |
| da | A1 | J | L | T | C | C0 | |
 |
| mm | kN | r/min | kg | - | - |
 |
| 69,85 | 73 | 200,025 | 241,3 | 98,4 | 158 | 208 | 1600 | 12,2 | FYR 2.3/4 H-3 | 22215 |
SKFFYR2.3/4H-3法兰滚子轴承单元供应商
- 八零动力专业销售FYR2.3/4H-3法兰滚子轴承单元,库存SKFFYR2.3/4H-3大量现货,与SKF合作,咨询热线:022-58519723

- SKFFYR2.3/4H-3它在航空航天领域的应用,展现了它的高可靠性 这轴承的设计巧妙,充分考虑了设备的运行需求和维护便利性它的精密测量技术,确保了每一件产品的品质 没有轴承,现代机械将寸步难行,质量无可比拟的轴承,在行业内树立了良好的品质标杆承载重托,八零动力SKF法兰滚子轴承单元品种全,价格优,质量有保证!
用户关注最多的SKF轴承型号
SKF2312
SKF30210J2/Q
SKF3313DNRCBM
SKF51406
SKF61940
SKF7305BEY
SKFBT4B328988G/HA1VA901
SKFCR32396
SKFCR40X65X10CRS1R
SKFCR56x72x9HMS1R
SKFCR65x100x8CRW1V
SKFL183448/410
SKFNUP204ECP
SKFNUP207ECP/W64*
SKFSNW3040x7.1/8