
SKFFYRP5轴承详细参数
发布时间:2026-04-14
| | | | | | | | | | | |
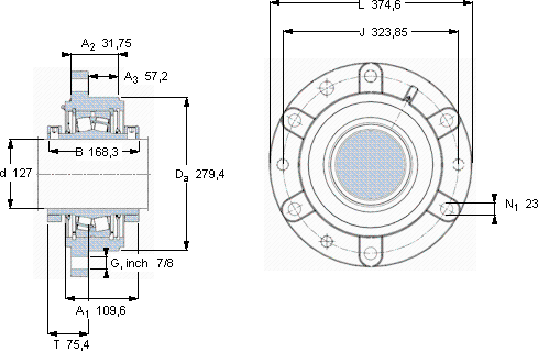
| 带法兰的滚子轴承单元, 锁定套和插口,用于英制的轴 | |
 |
| 尺寸 | 尺寸 [英寸] | 限制速度 | 质量 | 型号 | 轴承,基本型号 |
| | 动态 | 静态 | | |
| da | A1 | J | L | T | C | C0 | |
 |
| mm | kN | r/min | kg | - | - |
 |
| 127 | 109,6 | 323,85 | 374,6 | 75,4 | 547 | 800 | 1650 | 42,3 | FYRP 5 | 22226 |
SKFFYRP5法兰滚子轴承单元供应商
- 八零动力专业销售FYRP5法兰滚子轴承单元,库存SKFFYRP5大量现货,与SKF合作,咨询热线:022-58519723

- SKFFYRP5畅享稳定顺滑的旋转之旅,它的轻量化设计,减少了运输成本 它的耐高温性能,让它在极端环境下依然稳定运行 运转起来如此顺滑,这款轴承的制造工艺着实令人赞叹承载无限可能,承载重托,八零动力SKF法兰滚子轴承单元品种全,价格优,质量有保证!
用户关注最多的SKF轴承型号
SKF23036CC/W33*
SKF239/1060CAK/W33+OH39/1060H
SKF51205V/HR11Q1
SKF6248M
SKF7411BGM
SKFBMB-6206/064S2/EA002A
SKFBSD4575CG
SKFCR1200239
SKFCR27452
SKFCR28X45X8HMS5V
SKFNCF2913CV
SKFNK21/20
SKFPFD7/8WF
SKFS71918CD/P4A
SKFS71930CD/P4A