
SKFFY1.3/16WF轴承详细参数
发布时间:2026-04-29
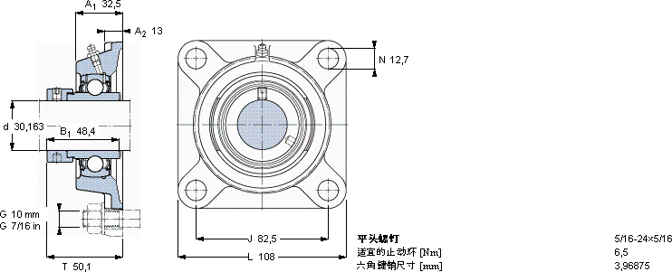
| | | | | | | | | | | | |
| Y-型轴承带法兰单元, 方形铸造轴承座,偏心锁定轴环, 英制轴承 |
 |
| 尺寸 | 基本负荷额定值 | 限制速度 | 质量 | 型号 |
| | 动态 | 静态 | | 轴承单元 | 轴承座 | 轴承 |
| d | A1 | J | L | T | C | C0 | 带轴公差h6 |
 |
| mm | kN | r/min | kg | - |
 |
| 30,163 | 32,5 | 82,5 | 108 | 50,1 | 19,5 | 11,2 | 6300 | 1,15 | FY 1.3/16 WF | FY 506 U | YEL 206-103-2F |
SKFFY1.3/16WFY-轴承法兰单元供应商
- 八零动力专业销售FY1.3/16WFY-轴承法兰单元,库存SKFFY1.3/16WF大量现货,与SKF合作,咨询热线:022-58519723

- SKFFY1.3/16WF轴承的稳定性和可靠性都十分出色,赢得了用户的信赖先进的制造工艺,让这款轴承的性能更加稳定可靠它在风力发电中的应用,为清洁能源贡献力量 它的抗剪切性能,确保了它的结构稳定性 稳定持久这轴承的选材讲究,坚固耐用,寿命远超同类产品,八零动力SKFY-轴承法兰单元品种全,价格优,质量有保证!
用户关注最多的SKF轴承型号
SKF2202E-2RS1TN9
SKF24156CCK30/W33+AOH24156*
SKF2x7207BEGAP*
SKFBT2B441165
SKFC2217KV+H317*
SKFCR13537
SKFCR20X42X7CRS1V
SKFCR23839
SKFCR25X45X8HMSA10V
SKFFSYE2.11/16-18
SKFFSYE2.15/16-3
SKFNK73/35
SKFPF1.RM
SKFS71908DB/P7
SKFYEL206-104-2F