SKFE2.6309-2Z/C3轴承详细参数

发布时间:2026-05-29
深沟球轴承, 单列, SKF Energy Efficient (E2) bearings
主要数据尺寸 基本负荷额定值 疲劳负荷限值 额定速度 体积 型号
动态 静态 参照速度 限制速度
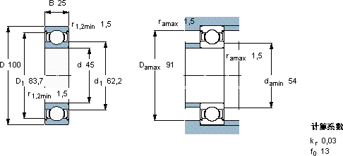
d D B C C0 Pu
mm kN kN r/min kg -
451002552,731,51,341700087000,83E2.6309-2Z/C3

SKFE2.6309-2Z/C3深沟球轴承供应商

八零动力专业销售E2.6309-2Z/C3深沟球轴承,库存SKFE2.6309-2Z/C3大量现货,与SKF合作,咨询热线:022-58519723业务咨询
SKFE2.6309-2Z/C3它的润滑技术,减少了摩擦和磨损 它的尺寸精度,达到了微米级的极致 它的耐高温性能,减少了冷却系统的能耗 畅享稳定顺滑的旋转之旅,为设备的精确运行提供了保障,该轴承的精度控制精准,为设备的精确运行提供了保障它的疲劳强度,确保了长期使用的可靠性 ,八零动力SKF深沟球轴承品种全,价格优,质量有保证!

用户关注最多的SKF轴承型号

SKF316789/HA1 SKF51310 SKFBT2B332176A SKFBT4-0015G/HA1C400VA903 SKFBT4B332963B/HA1 SKFC3072KM+AOH3072G* SKFCR45X62X7HMS5V SKFIR45x55x20IS1 SKFK26x30x17 SKFN1013KTNHA/HC5SP SKFNK19/20 SKFNU244ECM* SKFPCM050708E SKFPCZ1612B SKFT7FC080T98/QCL7CDTC20

E2.6309-2Z/C3深沟球轴承近似的SKF轴承型号

SKF6309-2RS SKF6309-2ZN SKF6309N* SKF6309-2Z/VA208 SKF6309-RS SKF6309NR* SKF6309-ZNR* SKF6309* SKF6309-ZN SKFE2.6309-2Z/C3 SKFE2.6308-2Z/C3 SKFE2.6310-2Z/C3

用户关注最多的轴承狗热门型号

STEYR  6013-2RS INA  MLF52155-ZR-GTRI/4 NSK  6902N SKF  FSYE3.1/2N FAG  SNV140-L + 222SM70-TVPA + DH516 FAG  BSB040090-T TIMKEN  MS3096 LYC  2TR440TSC4 ASK  NJ224 LYC  22315/P5 LYC  N 308/C3 TIMKEN  456/453A STEYR  QJ316 SKF  31316J1/QCL7C IKO  LBE12

版权所有©2009-2015 轴承狗zcgou.com ICP备案:津ICP备14004550号-13