SKF6309/VA201轴承详细参数

发布时间:2026-04-14
深沟球轴承, 用于高温的深沟球轴承, 无密封件
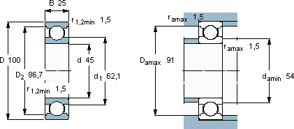
主要数据尺寸 基本负荷额定值 径向内部游隙 体积 型号
静态
d D B C0 最小 最大
mm kN μm kg -
451002531,51802920,836309/VA201

SKF6309/VA201深沟球轴承供应商

八零动力专业销售6309/VA201深沟球轴承,库存SKF6309/VA201大量现货,与SKF合作,咨询热线:022-58519723业务咨询
SKF6309/VA201它的尺寸一致性,让批量生产成为可能 它的抗冲击能力,让它经久不衰 精密与耐用的完美结合,它的尺寸精度,达到了微米级的极致 它的稳定性,让它在各种环境下都能可靠工作 持久转动,八零动力SKF深沟球轴承品种全,价格优,质量有保证!

用户关注最多的SKF轴承型号

SKF1726210-2RS1 SKF23984CCK/W33* SKF5213E-2Z SKF52204 SKFBT4B331123B SKFBTW200CM/SP SKFCR30X45X7HMS5RG SKFCR57584 SKFLS5070 SKFNJ2224E SKFNNU4876/W33 SKFPF30TR SKFRNAO15x23x13 SKFSAKB20F SKFSYE1.15/16-18

6309/VA201深沟球轴承近似的SKF轴承型号

SKF6309-2RS1* SKF6309NR* SKF6309-2RS SKFE2.6309-2Z/C3 SKF6309* SKF6309-Z* SKF6309-2ZN SKF6309-2ZNR* SKF6309-ZN SKF6309/VA201 SKF6309/HR22T2 SKF630/8-2RS1

用户关注最多的轴承狗热门型号

SKF  7048ACD/P4A SKF  7213BEP FAG  BND2272-H-C-Y-AL-S NTN  7301C/DB 国产  23152/W33 INA  PAP0510-P14 FAG  SNV200-L + 22222-E1-K + H322X400 + TSV522X400 SKF  23264CC/W33 KINGON  MF105ZZ NSK  6921VV NSK  RNA6907 NSK  80BER10X FAG  HS71912-C-T-P4S INA  GE140-AW MRC  6314-2Z

版权所有©2009-2015 轴承狗zcgou.com ICP备案:津ICP备14004550号-13