SKF6309-2RS1*轴承详细参数

发布时间:2026-04-15
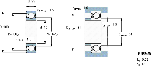
深沟球轴承, 单列, 两面密封件
主要数据尺寸 基本负荷额定值 疲劳负荷限值 额定速度 体积 型号
动态 静态 参照速度 限制速度
d D B C C0 Pu * - SKF Explorer 轴承
mm kN kN r/min kg -
451002555,331,51,34-45000,836309-2RS1 *

SKF6309-2RS1*深沟球轴承供应商

八零动力专业销售6309-2RS1*深沟球轴承,库存SKF6309-2RS1*大量现货,与SKF合作,咨询热线:022-58519723业务咨询
SKF6309-2RS1*这轴承的精度控制令人佩服,为设备的精准运行提供了保障它的耐用性,让人惊叹不已 它的品质卓越,为机械设备的高效、稳定运行保驾护航这轴承的质量过硬,经得起时间和高强度工作的考验它的设计巧妙,在保证性能的同时,还兼顾了安装的便捷性先进的制造技术和严格的质量控制,造就了这款优质轴承,八零动力SKF深沟球轴承品种全,价格优,质量有保证!

用户关注最多的SKF轴承型号

SKF305707C-2Z SKF313705B SKF32226J2 SKF624/HR11QN SKF7015ACD/HCP4A SKF71912ACE/P4A SKF7326BCBM SKFBT4B332642/HA1 SKFCR23885 SKFCR5662 SKFNNCF4860CV SKFSAF22624x4.1/4 SKFSAKAC25M SKFSALA80ES-2RS SKFWS89315

6309-2RS1*深沟球轴承近似的SKF轴承型号

SKF6309-2Z/VA208 SKF6309/VA201 SKF6309-ZNR* SKF6309-2ZN SKF6309-2ZNR* SKFE2.6309-2Z/C3 SKF6309-2RS1* SKF6309* SKF6309-2RS SKF6309-RS SKF6309-2RS SKF6309-2RS1TN9/HC5C3WT

用户关注最多的轴承狗热门型号

国产  N416M TIMKEN  EE275108/275156CD/X1S-275108 DKF  7332AC 国产  UEL208 NTN  21308CK+H308X INA  CSXD180 SNR  7301C TIMKEN  475/472 TIMKEN  776/774D FAG  23172-K-MB + H3172 NTN  6213NR FAG  SNV120-L + 2213-K-TVH-C3 + H313X204 + DHV513X204 FYH  UK213+H2313 LYC  TR 5510032(内组件) FAG  SNV140-L + 21313-E1-K + H313X203 + TCV613X203

版权所有©2009-2015 轴承狗zcgou.com ICP备案:津ICP备14004550号-13