
SKFCR99176轴承详细参数
发布时间:2026-05-30
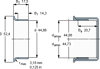
| | | | | | | | | | |
| 耐磨套管, SKF SPEEDI-SLEEVE | | |
 |
| 轴 | SKF SPEEDI-SLEEVE | | |
| | 尺寸 | 型号 | US stock | 说明 |
| da | d | D | B1 | B2 | Ba | number | |
| 最小 | 最大 | ±1,6 mm | ±0,8 mm | ±0,8 mm | ≈ | | |
| | | | ±0,063 in | ±0,031 in | ±0,031 in | | | | |
 |
| mm | mm | - | - | - |
 |
| 44,73 | 44,88 | 44,86 | 52,4 | 14,3 | 17,5 | 20,7 | CR 99176 | 99176 | |
SKFCR99176耐磨轴套供应商
- 八零动力专业销售CR99176耐磨轴套,库存SKFCR99176大量现货,与SKF合作,咨询热线:022-58519723

- SKFCR99176它的精密装配,确保了整体性能的卓越 它在食品机械中的应用,展现了它的卫生性能 它的轻量化设计,减少了运输成本 承载重托轴承的稳定性和可靠性表现卓越,赢得了广泛赞誉它的设计巧妙,在保证性能的同时,还兼顾了安装的便捷性,八零动力SKF耐磨轴套品种全,价格优,质量有保证!
用户关注最多的SKF轴承型号
SKF22309CCK/W33+H2309
SKF22334CCJA/W33VA405*
SKF2x7218BEGAY
SKF3304A*
SKF39590/39592/Q
SKF7005CD/HCP4A
SKF7314B/DF
SKFC2209KV+H309E*
SKFCR400145
SKFK25x30x17
SKFNJ216ECP*
SKFNKI60/25
SKFNNC4944CV
SKFNNF5048ADA-2LSV
SKFSAF22518x3.1/4