
SKFCR99175轴承详细参数
发布时间:2026-05-30
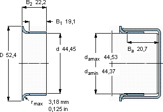
| | | | | | | | | | |
| 耐磨套管, SKF SPEEDI-SLEEVE | | |
 |
| 轴 | SKF SPEEDI-SLEEVE | | |
| | 尺寸 | 型号 | US stock | 说明 |
| da | d | D | B1 | B2 | Ba | number | |
| 最小 | 最大 | ±1,6 mm | ±0,8 mm | ±0,8 mm | ≈ | | |
| | | | ±0,063 in | ±0,031 in | ±0,031 in | | | | |
 |
| mm | mm | - | - | - |
 |
| 44,37 | 44,53 | 44,45 | 52,4 | 19,1 | 22,2 | 20,7 | CR 99175 | 99175 | |
SKFCR99175耐磨轴套供应商
- 八零动力专业销售CR99175耐磨轴套,库存SKFCR99175大量现货,与SKF合作,咨询热线:022-58519723

- SKFCR99175稳定的传奇其设计和制造工艺都达到了国际先进水平,是一款优质轴承转动不停歇它的高效率,让机械运转更加节能 品质卓越的它,为机械设备的稳定、高效运行提供了支持它的质量卓越,为机械设备的安全运行保驾护航,八零动力SKF耐磨轴套品种全,价格优,质量有保证!
用户关注最多的SKF轴承型号
SKF24028CCK30/W33*
SKF7340B/DT
SKF81288M
SKFAHX2330G
SKFC71906DB/P7
SKFCR42x55x8CRW1V
SKFCR610x660x20HDS2R
SKFGEC750FBAS
SKFNUTR45100A
SKFOKCX210
SKFPL52
SKFQJ305MA*
SKFQJ324
SKFSYR3.1/2NH-118
SKFSYR3.7/16N-118