
SKFCR99087轴承详细参数
发布时间:2026-04-14
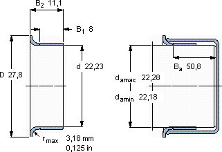
| | | | | | | | | | |
| 耐磨套管, SKF SPEEDI-SLEEVE | | |
 |
| 轴 | SKF SPEEDI-SLEEVE | | |
| | 尺寸 | 型号 | US stock | 说明 |
| da | d | D | B1 | B2 | Ba | number | |
| 最小 | 最大 | ±1,6 mm | ±0,8 mm | ±0,8 mm | ≈ | | |
| | | | ±0,063 in | ±0,031 in | ±0,031 in | | | | |
 |
| mm | mm | - | - | - |
 |
| 22,18 | 22,28 | 22,23 | 27,8 | 8 | 11,1 | 50,8 | CR 99087 | 99087 | |
SKFCR99087耐磨轴套供应商
- 八零动力专业销售CR99087耐磨轴套,库存SKFCR99087大量现货,与SKF合作,咨询热线:022-58519723

- SKFCR99087它的高效率,减少了能源消耗 为您的机械注入强大动力,它的承载能力,堪称机械界的“大力士” 为设备的精确运行提供了保障,该轴承的精度控制精准,为设备的精确运行提供了保障精湛的工艺打造出的轴承,精度和稳定性都令人称赞它在航空航天领域的应用,展现了它的高可靠性 ,八零动力SKF耐磨轴套品种全,价格优,质量有保证!
用户关注最多的SKF轴承型号
SKF29318
SKF32315
SKF32320J2
SKF5312E-2Z
SKF71814ACD/HCP4
SKF71906FB/P7
SKFCR71220
SKFCR99560
SKFFYM2.1/2TF
SKFNNCF5010CV
SKFQJ1256N2MA
SKFRNA4928
SKFSY1.1/4PF/AH
SKFSYFJ25TF
SKFSYR3.11/16