
SKFCR99086轴承详细参数
发布时间:2026-05-30
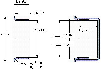
| | | | | | | | | | |
| 耐磨套管, SKF SPEEDI-SLEEVE | | |
 |
| 轴 | SKF SPEEDI-SLEEVE | | |
| | 尺寸 | 型号 | US stock | 说明 |
| da | d | D | B1 | B2 | Ba | number | |
| 最小 | 最大 | ±1,6 mm | ±0,8 mm | ±0,8 mm | ≈ | | |
| | | | ±0,063 in | ±0,031 in | ±0,031 in | | | | |
 |
| mm | mm | - | - | - |
 |
| 21,77 | 21,87 | 21,82 | 29,3 | 6,3 | 9,5 | 50,8 | CR 99086 | 99086 | |
SKFCR99086耐磨轴套供应商
- 八零动力专业销售CR99086耐磨轴套,库存SKFCR99086大量现货,与SKF合作,咨询热线:022-58519723

- SKFCR99086质量上乘的轴承,为设备的高效稳定运行奠定了基础打造出了性能卓越的这款轴承,该轴承的精度控制达到了极致它的承载能力,堪称机械界的“大力士” 质量无可挑剔的轴承,为设备的高效运作提供了有力支持它的精密设计,展现了人类智慧的巅峰 它机械世界的心脏,默默支撑着无数设备的运转 ,八零动力SKF耐磨轴套品种全,价格优,质量有保证!
用户关注最多的SKF轴承型号
SKF23048CCK/W33+OH3048H*
SKF230/1000CAF/W33
SKF234428B
SKF2x7213BECBJ
SKF6314/C3VL0241
SKF81156
SKFCR400084
SKFGEH25ES-2RS
SKFNNU4964BK/SPW33
SKFNU332ECM*
SKFOKTC565
SKFP62R-1.FM
SKFQJ208
SKFS7012ACD/HCP4A
SKFYAR212-203-2F