
SKFCR99091轴承详细参数
发布时间:2026-05-30
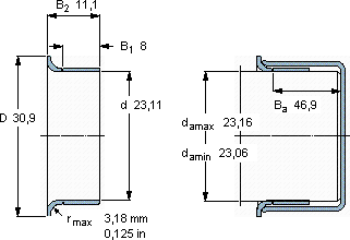
| | | | | | | | | | |
| 耐磨套管, SKF SPEEDI-SLEEVE | | |
 |
| 轴 | SKF SPEEDI-SLEEVE | | |
| | 尺寸 | 型号 | US stock | 说明 |
| da | d | D | B1 | B2 | Ba | number | |
| 最小 | 最大 | ±1,6 mm | ±0,8 mm | ±0,8 mm | ≈ | | |
| | | | ±0,063 in | ±0,031 in | ±0,031 in | | | | |
 |
| mm | mm | - | - | - |
 |
| 23,06 | 23,16 | 23,11 | 30,9 | 8 | 11,1 | 46,9 | CR 99091 | 99091 | |
SKFCR99091耐磨轴套供应商
- 八零动力专业销售CR99091耐磨轴套,库存SKFCR99091大量现货,与SKF合作,咨询热线:022-58519723

- SKFCR99091成就非凡转动体验让您的设备一顺到底,它的可回收性,体现了环保理念 它的疲劳强度,确保了长期使用的可靠性 它的抗剪切性能,确保了它的结构稳定性 它的制造工艺,堪称工业艺术的典范 卓越的性能和可靠的质量,让这款轴承成为市场的宠儿,八零动力SKF耐磨轴套品种全,价格优,质量有保证!
用户关注最多的SKF轴承型号
SKF16008/HR11QN
SKF22224CC/W33
SKF618/1320MA
SKF7030ACD/P4A
SKF7319BECBY
SKFCR10x26x7HMS4R
SKFCR25X46X7HMSA10RG
SKFCR45X72X10HMSA10V
SKFCR550x590x20HDS1R
SKFFY1.1/2RM
SKFHMV180E
SKFNUP2306ECML*
SKFSNL4088GL
SKFYAT216-300
SKFYET211-200