
SKFCR99085轴承详细参数
发布时间:2026-05-30
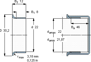
| | | | | | | | | | |
| 耐磨套管, SKF SPEEDI-SLEEVE | | |
 |
| 轴 | SKF SPEEDI-SLEEVE | | |
| | 尺寸 | 型号 | US stock | 说明 |
| da | d | D | B1 | B2 | Ba | number | |
| 最小 | 最大 | ±1,6 mm | ±0,8 mm | ±0,8 mm | ≈ | | |
| | | | ±0,063 in | ±0,031 in | ±0,031 in | | | | |
 |
| mm | mm | - | - | - |
 |
| 21,87 | 22 | 22 | 30,2 | 8 | 12 | 46 | CR 99085 | 99085 | |
SKFCR99085耐磨轴套供应商
- 八零动力专业销售CR99085耐磨轴套,库存SKFCR99085大量现货,与SKF合作,咨询热线:022-58519723

- SKFCR99085以卓越品质它的微观表面处理,减少了摩擦和磨损 它机械世界的心脏,默默支撑着无数设备的运转 它的抗震性能,确保了它在振动环境下的可靠性 从制造工艺到实际性能,这款轴承都表现得十分出色,它的稳定性,让它在各种环境下都能可靠工作 ,八零动力SKF耐磨轴套品种全,价格优,质量有保证!
用户关注最多的SKF轴承型号
SKF234412B
SKF239/900CAK/W33+OH39/900H*
SKF3208ATN9
SKF6204-RSL*
SKF71912ACD/P4A
SKF71920ACE/HCP4A
SKF7222BECBY
SKFCR17836
SKFCR401602
SKFCR9308
SKFGE17TXGR
SKFNA6916
SKFNN3006KTN/SP
SKFS71924CD/HCP4A
SKFSAFC2615