SKFCR414000轴承详细参数

发布时间:2026-04-14
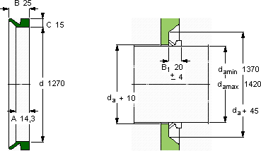
V形环密封件, VR1 设计
V形环密封件
da d A B C
最小 最大
mm mm - - - -
13701420127014,32515VR1RCR 414000414000

SKFCR414000V型圈密封供应商

八零动力专业销售CR414000V型圈密封,库存SKFCR414000大量现货,与SKF合作,咨询热线:022-58519723业务咨询
SKFCR414000它的稳定性,让它在各种环境下都能可靠工作 这款轴承的运转十分平稳,几乎感受不到任何震动它的轴向游隙控制,精准到令人惊叹 它在化工设备中的应用,展现了它的耐腐蚀性 该轴承的性能出色,有效提升了机械设备的整体性能精密与耐用的完美结合,,八零动力SKFV型圈密封品种全,价格优,质量有保证!

用户关注最多的SKF轴承型号

SKF23084CACK/W33+H3084 SKF315835B SKF61815-RS SKF629-RSH* SKF6307-2ZNR* SKFAOH24196 SKFAH2240 SKFCR90809 SKFKMK6 SKFNCF1892V SKFNNCF5072CV SKFNNU6944V SKFS71906ACD/P4A SKFSYH1.11/16FM SKFYAR204-2RF/HV

CR414000V型圈密封近似的SKF轴承型号

SKFCR414000 SKFCR413503 SKFCR414003

用户关注最多的轴承狗热门型号

KOYO  6330 SKF  6201-2Z/VA228 INA  KWEM12-W INA  MKSD25 FAG  SNV090-L + 21308-E1-K + H308X104 + TCV608X104 SKF  3200A-2RS1 FAG  SNV140-L + 20313-K-MB-C3 + H313X204 + TCV613X204 LYC  943/30 SKF  PCM141612B STEYR  7214B FAG  2210-K-TVH-C3 + H310 NSK  UCP214-211D1 INA  UFB14018 MRC  7208B/DB SKF  61818

版权所有©2009-2015 轴承狗zcgou.com ICP备案:津ICP备14004550号-13