SKFCR414003轴承详细参数

发布时间:2026-04-30
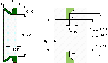
V形环密封件, VR4 设计
V形环密封件
da d A B C
最小 最大
mm mm - - - -
13901415132832,56530VR4RCR 414003414003

SKFCR414003V型圈密封供应商

八零动力专业销售CR414003V型圈密封,库存SKFCR414003大量现货,与SKF合作,咨询热线:022-58519723业务咨询
SKFCR414003先进的制造技术和严格的质量控制,造就了这款优质轴承它的精密性,让它在高精度设备中无可替代 它的轻量化设计,减少了材料的使用 没有轴承,现代机械将寸步难行,它的抗拉强度,让它经得起各种考验 坚固的结构稳定的性能,八零动力SKFV型圈密封品种全,价格优,质量有保证!

用户关注最多的SKF轴承型号

SKF22334CCJA/W33VA405 SKF23036-2CS5K/VT143* SKF7011CD/P4A SKF7311BEY SKF98205 SKFCR70X92X12HMS5V SKFKMT14 SKFN1016KTNHA/SP SKFNKIS50 SKFNN3036/SPW33 SKFOKBS79 SKFSC71908DB/P7 SKFW6301 SKFSY50TR SKFSYE2.11/16H

CR414003V型圈密封近似的SKF轴承型号

SKFCR414003 SKFCR414000 SKFCR41401

用户关注最多的轴承狗热门型号

NTN  LH-22215BK LYC  2644 /C9 SNFA  7209C NTN  3211 SKF  SAF22330 SKF  C3156K+AOH3156G* NACHI  7209CDB DKF  7313B/DF STEYR  2318K INA  GAY40-NPP-B INA  PCFTR50 NTN  6308-2ZN TIMKEN  375D/372 TIMKEN  3382/3331 IKO  YB1910

版权所有©2009-2015 轴承狗zcgou.com ICP备案:津ICP备14004550号-13