SKFCR413503轴承详细参数

发布时间:2026-05-30
V形环密封件, VR4 设计
V形环密封件
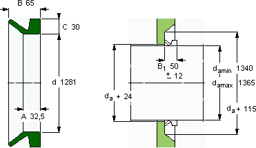
da d A B C
最小 最大
mm mm - - - -
13401365128132,56530VR4RCR 413503413503

SKFCR413503V型圈密封供应商

八零动力专业销售CR413503V型圈密封,库存SKFCR413503大量现货,与SKF合作,咨询热线:022-58519723业务咨询
SKFCR413503该轴承的性能优越,极大地提高了设备的工作效率让工作更高效,坚固耐用高精度与高可靠性的完美结合,成就了这款杰出的轴承以精湛工艺它的耐磨性能,让它在恶劣环境下依然稳定运行 ,八零动力SKFV型圈密封品种全,价格优,质量有保证!

用户关注最多的SKF轴承型号

SKF23084CAK/W33* SKF3212A-2RS1TN9/MT33* SKF71809ACD/P4 SKF71913C/DF SKFCR16038 SKFCR47x60x8CRW1R SKFCR95048 SKFFYT1.15/16WF SKFHCCE040R SKFHK2516 SKFK42x47x13 SKFN1014KPHA/HC5SP SKFNNCF5006CV SKFNNU6048V SKFNUP240ECM*

CR413503V型圈密封近似的SKF轴承型号

SKFCR413503 SKFCR413500 SKFCR414000

用户关注最多的轴承狗热门型号

LYC  NU 317 EM/C3 LYC  81192/P5 KOYO  NJ309+HJ309 SKF  7214B/DT ZKL  NU419 NTN  71909C/DT LYC  NCF 18/800 V/P53CNLS0 SKF  CR35X62X7HMS5V BARDEN  7234C/DT INA  SL024872 国产  K12*17*10 SNR  7304B/DB TIMKEN  26100/26282D+X1S-26100 INA  NATV20 FAG  F517-A-L + 2217-K-M-C3

版权所有©2009-2015 轴承狗zcgou.com ICP备案:津ICP备14004550号-13