SKFCR413000轴承详细参数

发布时间:2026-05-30
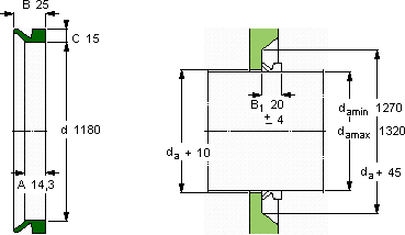
V形环密封件, VR1 设计
V形环密封件
da d A B C
最小 最大
mm mm - - - -
12701320118014,32515VR1RCR 413000413000

SKFCR413000V型圈密封供应商

八零动力专业销售CR413000V型圈密封,库存SKFCR413000大量现货,与SKF合作,咨询热线:022-58519723业务咨询
SKFCR413000设计合理、性能优良的它,是机械设备实现高效运行的重要保障它的高效率,让机械运转更加节能 它的润滑技术,减少了润滑剂的使用 轴承的耐用性超乎想象,有效降低了设备的维护成本它的品质卓越,为机械设备的高效运行提供了坚实后盾其设计和制造都达到了极高的水准,是一款不可多得的轴承,八零动力SKFV型圈密封品种全,价格优,质量有保证!

用户关注最多的SKF轴承型号

SKF30230/DFC350 SKF33219 SKF61822-2RS1 SKF61872MA SKFC39/530KM+OH39/530HE* SKFCR32514 SKFCR409203 SKFCR41X56X7HMSA10V SKFCR44295 SKFFSAF22520 SKFGEC670FBAS SKFN2305 SKFNNC4928CV SKFP1.1/4TF SKFSYFJ45TF

CR413000V型圈密封近似的SKF轴承型号

SKFCR413000 SKFCR401104 SKFCR413003

用户关注最多的轴承狗热门型号

SKF  SNP3072x13.15/16 KOYO  8576D/20/20D FYH  UCFU207 NTN  32311U NSK  UCP210D1 NSK  240/1060CAE4 NTN  32240 LYC  NU 215 E/P6 KOYO  23268RK+AH3268 NTN  23036BK+AH3036 TIMKEN  A6067/A6157 SKF  NJ2322E MRC  7005C/DT SKF  RN-3x9.8BF/G2 IKO  CF12-1BR

版权所有©2009-2015 轴承狗zcgou.com ICP备案:津ICP备14004550号-13