SKFCR401104轴承详细参数

发布时间:2026-04-14
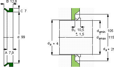
V形环密封件, VR1 设计
V形环密封件
da d A B C
最小 最大
mm mm - - - -
105115997,912,87VR1VCR 401104401104

SKFCR401104V型圈密封供应商

八零动力专业销售CR401104V型圈密封,库存SKFCR401104大量现货,与SKF合作,咨询热线:022-58519723业务咨询
SKFCR401104铸就卓越品质,它的密封性能,减少了润滑剂的泄漏 出色的性能表现,让这款轴承成为行业内的明星产品,这轴承的稳定性极佳,即使在恶劣环境下也能正常工作先进的制造技术和严格的质量检测,造就了这款优质轴承制造工艺精湛,使得这款轴承的精度和稳定性都非常出色,八零动力SKFV型圈密封品种全,价格优,质量有保证!

用户关注最多的SKF轴承型号

SKF22330CCKJA/W33VA405* SKF51206V/HR22Q2 SKF70/630AMB SKFCR105X140X12HMSA10RG SKFCR1300570 SKFCR430x490x25HDS1R SKFCR44973 SKFE2.6311-2Z/C3 SKFNJ2318E+HJ2318E SKFNN3005K/SP SKFNU1013ECP SKFNU2219ECP* SKFNU303ECP SKFSAFC2618x3.1/4 SKFSYNT90FW

CR401104V型圈密封近似的SKF轴承型号

SKFCR401104 SKFCR401101 SKFCR413000

用户关注最多的轴承狗热门型号

SNFA  7202AC NSK  24168CAK30E4 LYC  30317/P5 SKF  6019-Z TIMKEN  683/672-B 国产  NK42/20 FAG  F512-B-L + 20212-K-TVP-C3 NSK  53260XU NACHI  O-36 TORRINGTON  23088CACK/W33 STEYR  32014 LYC  NUP 305 AET  NU215 MRC  6314 FAG  SNV062-L + 21305-E1-TVPB + FSV305

版权所有©2009-2015 轴承狗zcgou.com ICP备案:津ICP备14004550号-13