SKFCR413003轴承详细参数

发布时间:2026-05-30
V形环密封件, VR4 设计
V形环密封件
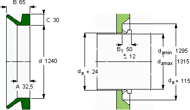
da d A B C
最小 最大
mm mm - - - -
12951315124032,56530VR4RCR 413003413003

SKFCR413003V型圈密封供应商

八零动力专业销售CR413003V型圈密封,库存SKFCR413003大量现货,与SKF合作,咨询热线:022-58519723业务咨询
SKFCR413003它的品质卓越,为机械设备的高效、稳定运行保驾护航是您成功路上的得力助手,质量无可挑剔的轴承,在行业内树立了良好的口碑和形象它的尺寸精度,达到了微米级的极致 它的润滑技术,减少了摩擦和磨损 顺滑无声,八零动力SKFV型圈密封品种全,价格优,质量有保证!

用户关注最多的SKF轴承型号

SKF1306EKTN9 SKF2301 SKF6211NR* SKF71817CD/P4A SKF71900CD/P4A SKF7200C SKF7305BEP SKFBT4B328955BG/HA1VA901 SKFCR33X50X6HMSA10RG SKFCR36X50X7HMS5V SKFK4x7x7TN SKFNCF2934CV SKFPCM556050M SKFSAF22312 SKFSDAF23280KAx15

CR413003V型圈密封近似的SKF轴承型号

SKFCR413003 SKFCR413000 SKFCR41305

用户关注最多的轴承狗热门型号

SKF  BT4B334108G/HA4VA901 SKF  23226CCK/W33+H2326 NTN  22240CC/W33 LYC  46T835925GHCS110 国产  7228BM NACHI  53217U TIMKEN  HM3076 KOYO  6038ZZX RHP  NU206 国产  639/2-Z SKF  619/1120MB FAG  SNV130-L + 22215-E1-K + H315X210 + TSV515X210 MRC  QJ215 SKF  NUP211ECML* IKO  LMS5

版权所有©2009-2015 轴承狗zcgou.com ICP备案:津ICP备14004550号-13